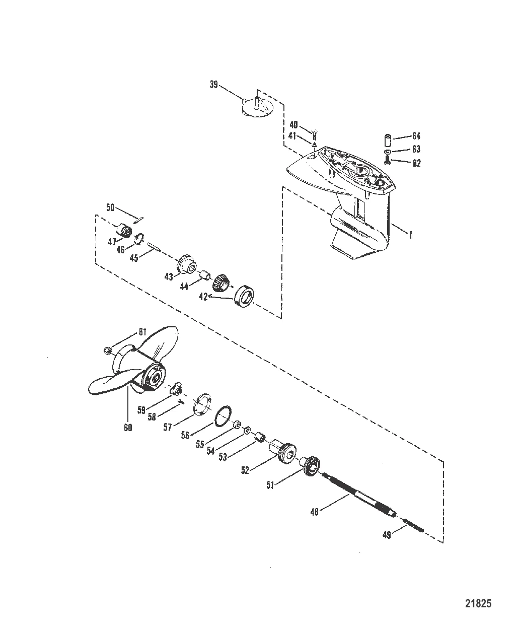
Gear Housing Propeller Shaft — [9507381 THRU 9807908] - Belgium - Cat.# 90-18583 — купить в Victory Marine
Gear Housing Propeller Shaft
1
40
41
43
44
45
46
47
48
49
50
51
53
55
56
57
58
59
60
61
62
63
64

Gear Housing Propeller Shaft

1 . GC BASIC 25 2S Mercury 8M0083538

8669A21 → 8M0083538

155 072 ₽

64 976 ₽

57 590 ₽

2 531 ₽

342 ₽

260 ₽

6 700 ₽

61 215 ₽

1 477 ₽

3 792 ₽

475 ₽

Уточняйте

37 210 ₽

48 . Гребной вал 8166231

816623 → 99740 → 85134 → 8166231

75 515 ₽

874 ₽

50 . PIN CROSS Mercury 8M0020999

85093 → 8M0020999

1 137 ₽

45 569 ₽

50 043 ₽

2 544 ₽

3 189 ₽

3 150 ₽

618 ₽

1 010 ₽

259 ₽

59 . Упорная шайба 858498

8M0027793 → 85128A1 → 858498

4 217 ₽

23 562 ₽

23 562 ₽

360 ₽

1 223 ₽

573 ₽

337 ₽

Уточняйте

Полезные статьи

Все статьи →
Связаться с нами