КАРТЕР РЕДУКТОРА (ВАЛ ГРЕБНОГО ВИНТА) (ОТЛИВКА №1655-9572C) — [0B242885 THRU 0C100860] - USA - Cat.# 90-18739 — купить в Victory Marine
КАРТЕР РЕДУКТОРА (ВАЛ ГРЕБНОГО ВИНТА) (ОТЛИВКА №1655-9572C)
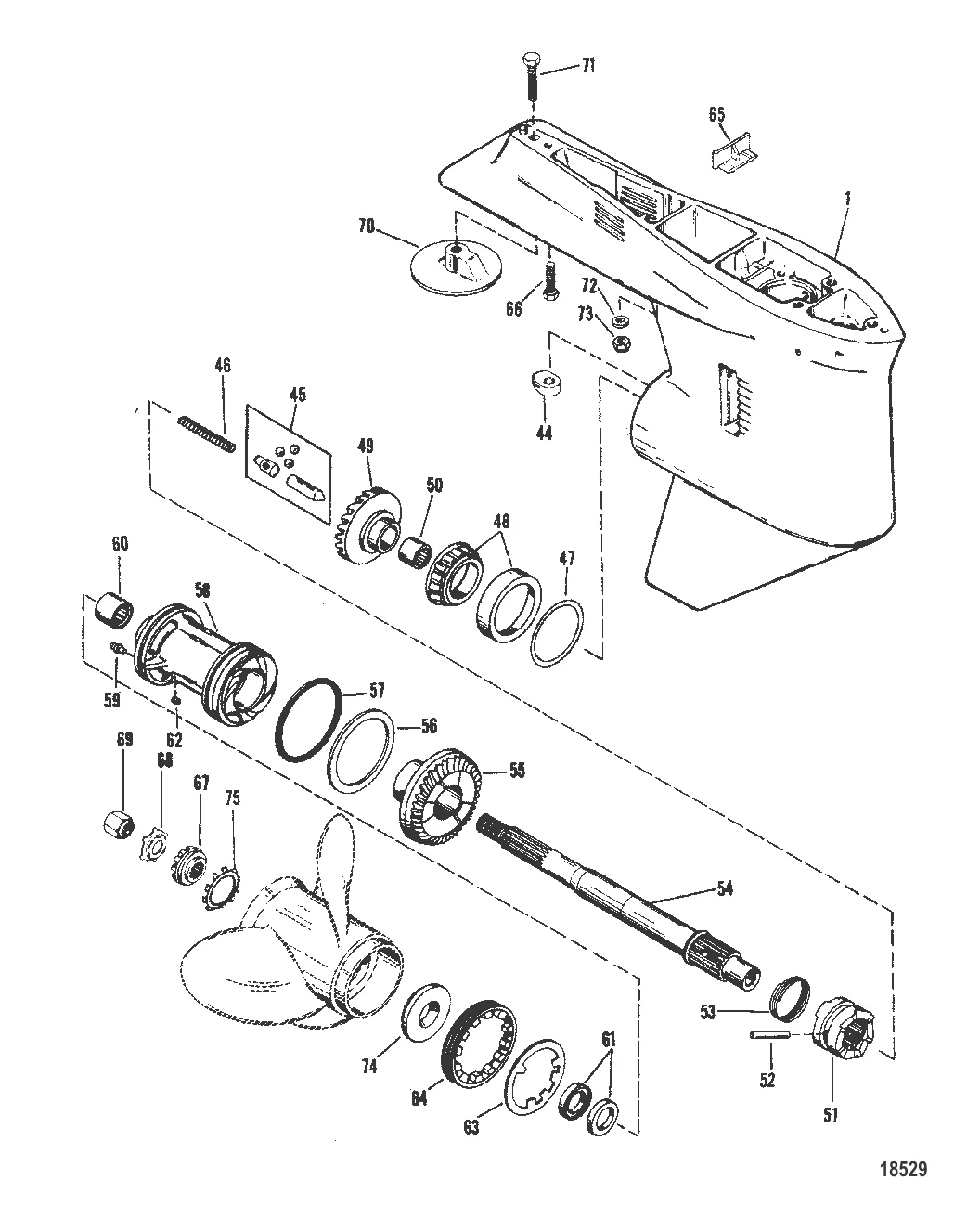
1
46
47
49
51
52
53
54
55
56
57
59
62
63
64
65
67
68
71
72
74
75

КАРТЕР РЕДУКТОРА (ВАЛ ГРЕБНОГО ВИНТА) (ОТЛИВКА №1655-9572C)

1 . GEAR HSG Mercury 814247T9

814247A9 → 9572A2 → 814247T9

Уточняйте

1 . GEAR HSG Mercury 814247T8

814247A8 → 9572A1 → 814247T8

Уточняйте

44 . Переключатель реверса 760394

76039 → 36288 → 30147 → 20860 → 760394

6 002 ₽

7 246 ₽

867 ₽

896 ₽

190 707 ₽

3 490 ₽

38 813 ₽

52 . PIN @3 Mercury 8M0100263

8M0084681 → 8M0100263

500 ₽

1 000 ₽

53 028 ₽

Уточняйте

Уточняйте

775 ₽

58 . CARRIER ASSY Mercury 41529T2

41529A2 → 41529A1 → 98726A1 → 96074A1 → 77520A1 → 41529T2

36 459 ₽

399 ₽

3 000 ₽

2 900 ₽

328 ₽

3 997 ₽

2 804 ₽

5 525 ₽

408 ₽

67 . Шайба 31211Q03

31211A3 → 31211A2 → 31211 → 31211Q03

2 516 ₽

68 . Лепестковая шайба 816629Q

816629 → 31210 → F697140 → 816629Q

706 ₽

1 200 ₽

70 . 31640Q4 Анод MerCruiser Alpha One Quicksilver

316404 → 316403 → 31640A1 → 31640 → 31640Q4

2 400 ₽

Уточняйте

72 . Шайба 45176

43042 → 45176

179 ₽

900 ₽

74 . Упорная шайба 13191Q01

13191A1 → 66500 → 13191Q01

4 432 ₽

395 ₽

Полезные статьи

Все статьи →
Связаться с нами