КАРТЕР РЕДУКТОРА (ВАЛ ГРЕБНОГО ВИНТА) — [7208573 & Up] - Canada - Cat.# 90-13289 — купить в Victory Marine
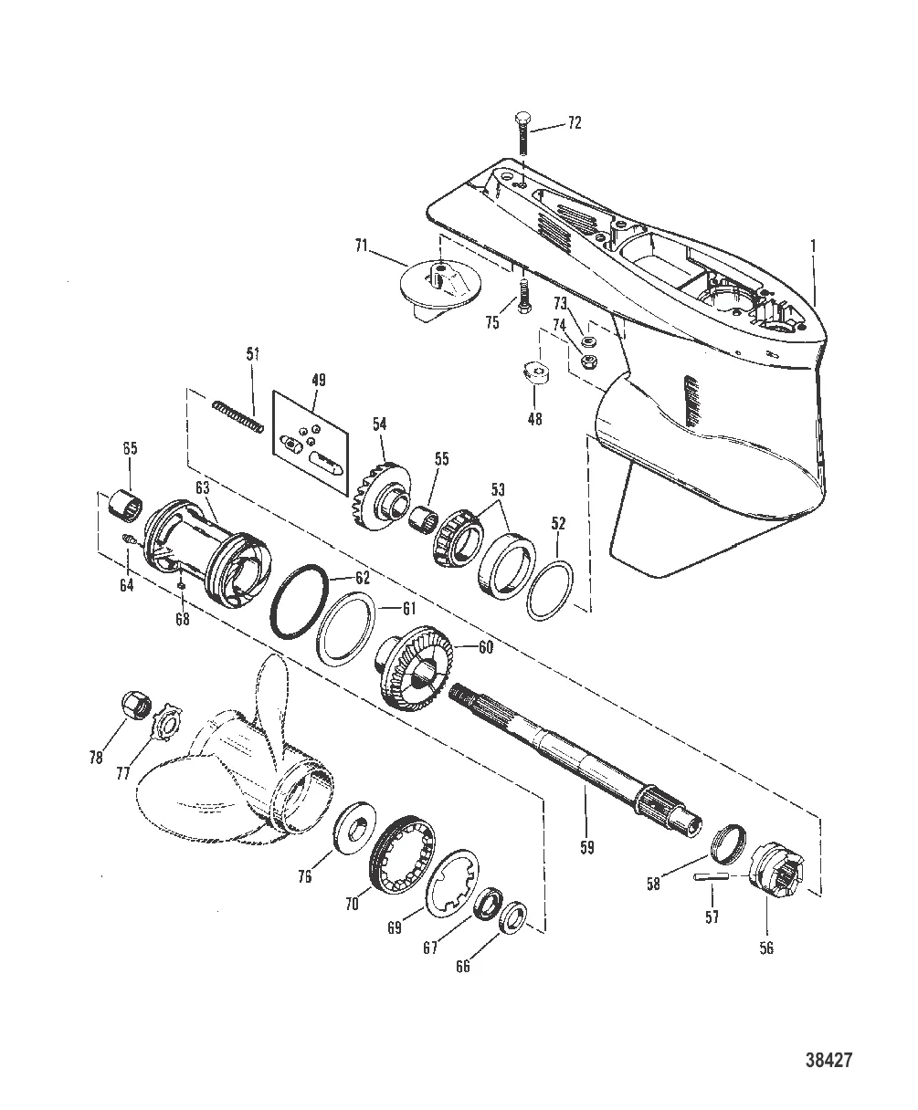
КАРТЕР РЕДУКТОРА (ВАЛ ГРЕБНОГО ВИНТА)
49
51
52
54
56
57
58
59
60
61
62
64
67
68
69
70
72
73
75
76
77

КАРТЕР РЕДУКТОРА (ВАЛ ГРЕБНОГО ВИНТА)

1 . GEAR корпус Mercury 7333T23

7333A23 → 6053A5 → 5829A8 → 5578A8 → 7333T23

122 809 ₽

119 128 ₽

48 . Переключатель реверса 760394

76039 → 36288 → 30147 → 20860 → 760394

6 002 ₽

8 682 ₽

867 ₽

Уточняйте

54 . GEAR ASSY-FORWARD Mercury 75314T2

75314A2 → 75314 → 75314T2

96 716 ₽

3 490 ₽

38 813 ₽

57 . PIN @3 Mercury 8M0100263

8M0084681 → 8M0100263

500 ₽

1 000 ₽

72 626 ₽

91 449 ₽

Уточняйте

775 ₽

63 . CARRIER ASSY Mercury 41529T2

41529A2 → 41529A1 → 98726A1 → 96074A1 → 77520A1 → 41529T2

36 459 ₽

399 ₽

3 000 ₽

2 900 ₽

3 300 ₽

328 ₽

3 997 ₽

2 804 ₽

71 . 31640Q4 Анод MerCruiser Alpha One Quicksilver

316404 → 316403 → 31640A1 → 31640 → 31640Q4

2 400 ₽

1 088 ₽

73 . Шайба 45176

43042 → 45176

179 ₽

900 ₽

310 ₽

76 . Упорная шайба 13191Q01

13191A1 → 66500 → 13191Q01

4 432 ₽

77 . Лепестковая шайба 816629Q

816629 → 31210 → F697140 → 816629Q

706 ₽

1 200 ₽

Полезные статьи

Все статьи →
Связаться с нами