Карт. редуктора (Гребной вал) (станд.)(с/н 0G960499 и ниже) — [0G760300 THRU 0T408999] - USA — купить в Victory Marine
Карт. редуктора (Гребной вал) (станд.)(с/н 0G960499 и ниже)
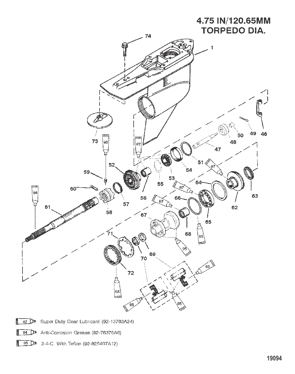
46
47
51
54
55
57
58
59
60
61
64
66
71
72
74

Карт. редуктора (Гребной вал) (станд.)(с/н 0G960499 и ниже)

346 231 ₽

Уточняйте

7 307 ₽

896 ₽

85 937 ₽

90 953 ₽

Уточняйте

1 426 ₽

3 490 ₽

1 000 ₽

48 942 ₽

1 291 ₽

60 . PIN @3 Mercury 8M0100263

8M0084681 → 8M0100263

500 ₽

60 380 ₽

61 449 ₽

66 065 ₽

2 000 ₽

65 . 88957T Подшипник редуктора

88957 → 88957A1 → 17927 → 35914 → 88957T

7 500 ₽

66 . Кольцо 31534

48451 → 31534

628 ₽

46 239 ₽

3 000 ₽

2 800 ₽

2 900 ₽

3 312 ₽

72 . Гайка 8M2011027

79448 → 52834 → 35912 → 8M2011027

3 417 ₽

2 800 ₽

518 ₽

Полезные статьи

Все статьи →
Связаться с нами