Тяга газа — [1B528615 THRU 2B535086] - USA — купить в Victory Marine
Тяга газа
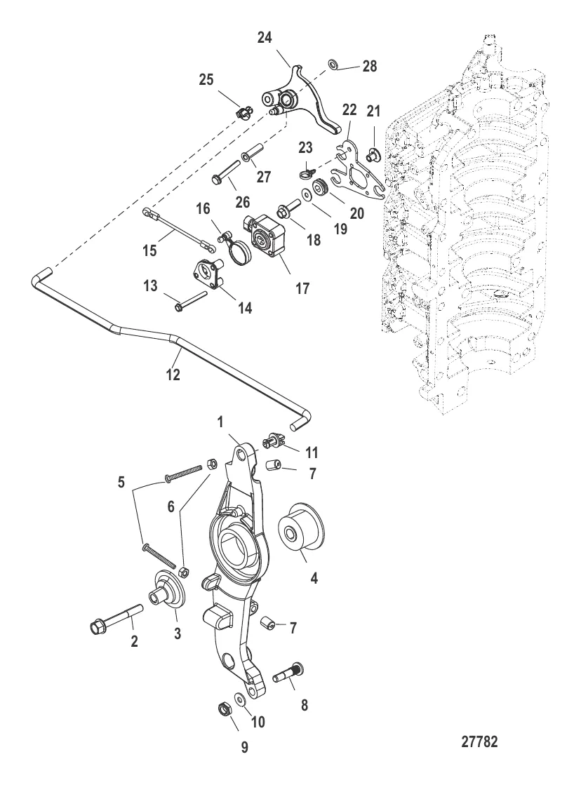
1
2
3
4
5
7
8
9
10
12
13
14
15
16
17
18
20
21
22
23
25
27

Тяга газа

1 . РЫЧАГ Mercury 8M0040987

8252682 → 8M0040987

19 533 ₽

759 ₽

2 834 ₽

3 034 ₽

1 765 ₽

257 ₽

289 ₽

2 179 ₽

442 ₽

224 ₽

2 321 ₽

510 ₽

3 089 ₽

4 298 ₽

1 823 ₽

17 . TPI Mercury 8M6005165

83295211 → 8M6005165

26 039 ₽

407 ₽

292 ₽

339 ₽

734 ₽

22 . КРОНШТЕЙН Mercury 8544862

8544861 → 854486 → 8544862

3 684 ₽

289 ₽

13 133 ₽

25 . Втулка 932481

93248 → 932481

946 ₽

591 ₽

4 649 ₽

284 ₽

Полезные статьи

Все статьи →
Связаться с нами