Комплект большой румпельной рукоятки (Четырехтактный 40-60 EFI – ручной) — [1C051324 THRU 1C453839] - USA — купить в Victory Marine
Комплект большой румпельной рукоятки (Четырехтактный 40-60 EFI – ручной)
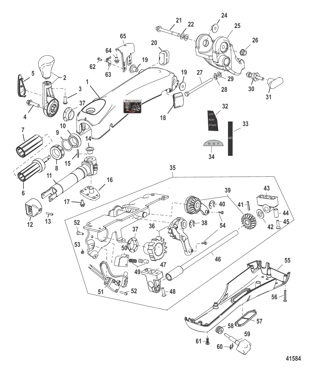
3
4
6
7
8
9
10
11
13
14
15
16
18
19
20
24
25
27
28
29
30
31
32
34
35
37
41
43
44
46
47
48
50
51
52
53
56
57
58
60
61
62
63
64

Комплект большой румпельной рукоятки (Четырехтактный 40-60 EFI – ручной)

10 051 ₽

298 ₽

599 ₽

3 947 ₽

5 824 ₽

2 084 ₽

1 105 ₽

412 ₽

650 ₽

15 728 ₽

205 ₽

413 ₽

650 ₽

13 696 ₽

627 ₽

853 ₽

19 . ВТУЛКА Mercury 8M0035136

8M0031304 → 8M0035136

887 ₽

1 801 ₽

1 354 ₽

2 787 ₽

28 679 ₽

508 ₽

1 066 ₽

1 099 ₽

29 . ШАЙБА Mercury 4002319

4002219 → 809931072 → 4002319

347 ₽

8 246 ₽

1 359 ₽

556 ₽

1 572 ₽

357 ₽

72 363 ₽

10 699 ₽

1 574 ₽

18 148 ₽

1 000 ₽

786 ₽

773 ₽

791 ₽

824 ₽

923 ₽

1 014 ₽

450 ₽

Уточняйте

1 839 ₽

166 ₽

4 265 ₽

7 816 ₽

5 099 ₽

419 ₽

59 ₽

464 ₽

1 495 ₽

2 300 ₽

10 690 ₽

60 . Кольцо 29641

20233 → 29641

198 ₽

258 ₽

932 ₽

753 ₽

653 ₽

3 130 ₽

Полезные статьи

Все статьи →
Связаться с нами