Картер редуктора Вал гребного винта – передаточное число 2.25:1 — [1B000001 & Up] - USA — купить в Victory Marine
Картер редуктора Вал гребного винта – передаточное число 2.25:1
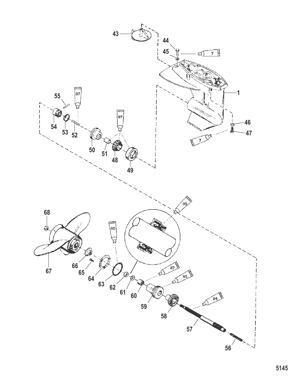
1
44
45
46
47
49
50
51
52
53
54
55
56
57
58
60
62
63
64
65
66
67
68

Картер редуктора Вал гребного винта – передаточное число 2.25:1

1 . GC BASIC 25 2S Mercury 8M0083538

8669A21 → 8M0083538

155 072 ₽

2 531 ₽

342 ₽

260 ₽

337 ₽

573 ₽

6 700 ₽

Уточняйте

61 215 ₽

1 477 ₽

3 792 ₽

475 ₽

37 210 ₽

55 . PIN CROSS Mercury 8M0020999

85093 → 8M0020999

1 137 ₽

874 ₽

57 . Гребной вал 8166231

816623 → 99740 → 85134 → 8166231

75 515 ₽

45 569 ₽

50 043 ₽

2 544 ₽

3 189 ₽

3 150 ₽

618 ₽

1 010 ₽

259 ₽

66 . Упорная шайба 858498

8M0027793 → 85128A1 → 858498

4 217 ₽

23 562 ₽

23 562 ₽

360 ₽

1 143 ₽

Полезные статьи

Все статьи →
Связаться с нами