ВСАСЫВАЮЩИЙ КОЛЛЕКТОР И БЛОК С ПЛАСТИНЧАТЫМИ КЛАПАНАМИ — [0G590000 THRU 0G760299] - USA — купить в Victory Marine
ВСАСЫВАЮЩИЙ КОЛЛЕКТОР И БЛОК С ПЛАСТИНЧАТЫМИ КЛАПАНАМИ
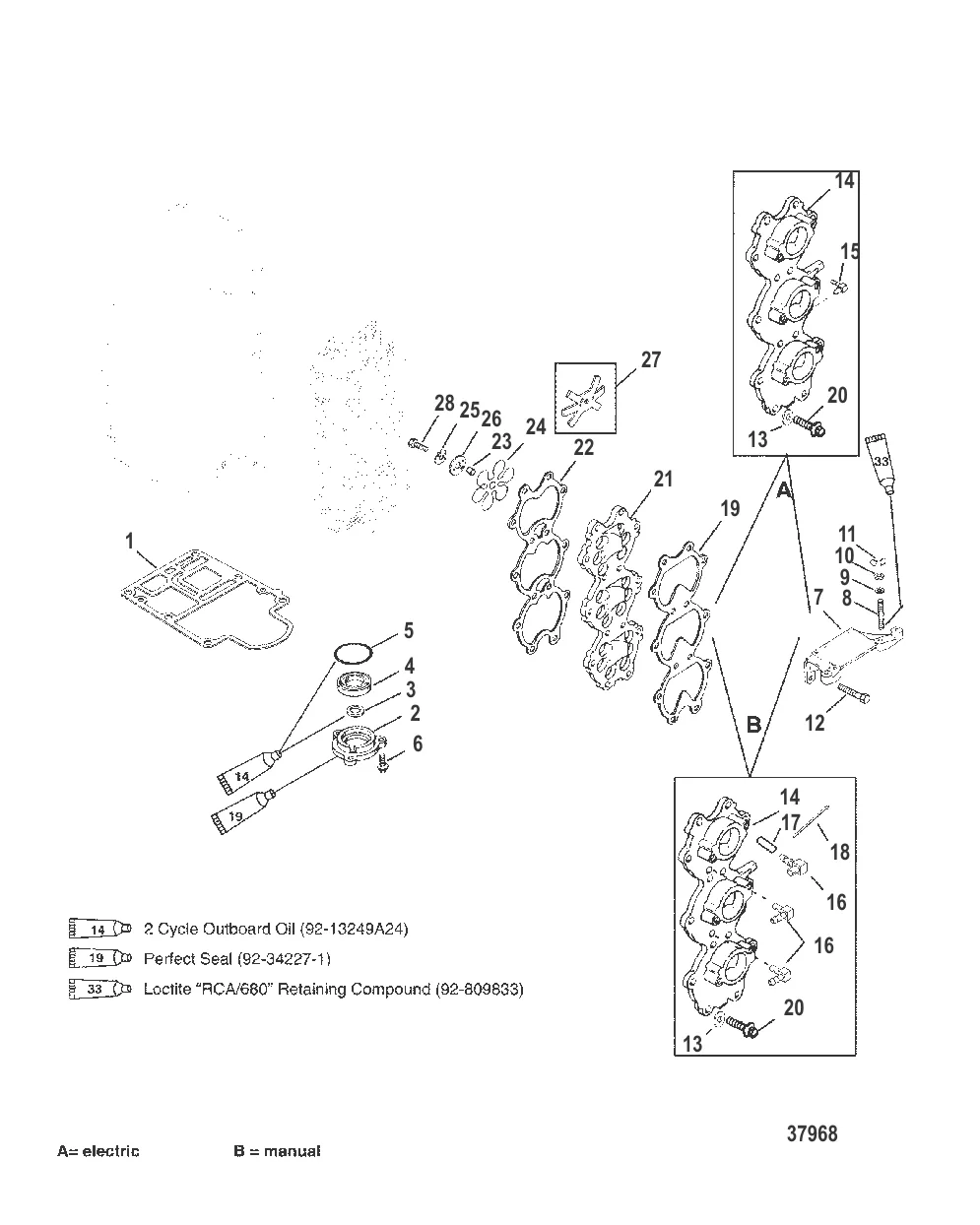
2
3
5
6
9
11
12
16
17
18
19
20
22
23
24
25
27
28

ВСАСЫВАЮЩИЙ КОЛЛЕКТОР И БЛОК С ПЛАСТИНЧАТЫМИ КЛАПАНАМИ

1 811 ₽

37 582 ₽

3 . Сальник 828932

821756 → 828932

1 248 ₽

Уточняйте

5 . Кольцо 8M0142854

896523 → 8M0142854

55 ₽

670 ₽

77 ₽

261 ₽

290 ₽

12 . ВИНТ (M8 x 35 мм) Mercury 82127335

81742735 → 4011135 → 82127335

316 ₽

105 ₽

25 441 ₽

1 683 ₽

628 ₽

45 ₽

1 453 ₽

152 ₽

Уточняйте

1 454 ₽

Уточняйте

24 . Клапан 812880A03

812880A1 → 812880A03

2 453 ₽

472 ₽

952 ₽

1 028 ₽

157 ₽

Полезные статьи

Все статьи →
Гайды и подбор

Регистрация лодки и мотора в ГИМС: пошаговая инструкция 2025-2026

Кому нужна регистрация лодки и мотора, какие документы собирать, сколько стоит, как получить права на управление маломерным судном. Штрафы, техосмотр и ответы на частые вопросы — всё в одной статье.

1 мин.
Обслуживание и ремонт

Лодочный мотор в солёной воде — как защитить от коррозии и продлить ресурс

Солёная вода — главный враг подвесного мотора. Рассказываем, как правильно промывать двигатель после моря, когда менять аноды, чем обрабатывать редуктор и что делать, чтобы мотор прожил долго.

1 мин.
Гайды и подбор

Как пользоваться эхолотом — настройка, чтение экрана, поиск рыбы

Разбираемся, как правильно настроить эхолот и научиться читать его экран. Практические советы по поиску рыбы, структуры дна и использованию GPS-меток.

1 мин.
Связаться с нами