ВПУСКНОЙ КОЛЛЕКТОР И ПЕРЕДНЯЯ КРЫШКА (КОНСТРУКЦИЯ I) — 1987 [0B525982 THRU 0B773739] — купить в Victory Marine
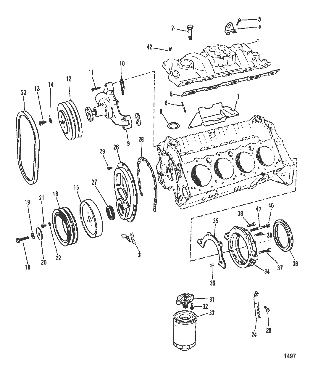
ВПУСКНОЙ КОЛЛЕКТОР И ПЕРЕДНЯЯ КРЫШКА (КОНСТРУКЦИЯ I)
1
2
3
4
5
6
7
9
11
13
14
15
16
18
19
20
21
22
24
26
27
28
29
31
32
34
36
37
38
39
40
41
42

ВПУСКНОЙ КОЛЛЕКТОР И ПЕРЕДНЯЯ КРЫШКА (КОНСТРУКЦИЯ I)

Уточняйте

Уточняйте

106 212 ₽

715 ₽

2 . ВИНТ Mercury 802655

11975 → 802655

308 ₽

3 . СТРЕЛКА Mercury 75435A1

FI1101059 → 75435A1

2 492 ₽

2 316 ₽

247 ₽

Уточняйте

Уточняйте

32 243 ₽

390 ₽

11 . Болт 32132

35788 → 35343 → 32132

311 ₽

316 ₽

Уточняйте

Уточняйте

109 ₽

216 ₽

15 . БАЛАНСИР Mercury 75420

FI1101041 → F6272221 → 75420

58 840 ₽

16 . шкив Mercury 33863T

33863 → 33863T

36 786 ₽

18 . БОЛТ (2") Mercury 72626

FI1100727 → F9428643 → 72626

Уточняйте

19 . Шайба 39131

FI1100158 → 39131

109 ₽

20 . ШАЙБА Mercury 35332001

35332 → FI1100101 → F3739422 → 35332001

1 638 ₽

159 ₽

455 ₽

22 . Шайба 35048

37459 → 27969 → 35048

171 ₽

4 618 ₽

24 . ОПОРА Mercury 35365

FI1100171 → 35365

Уточняйте

35 383 ₽

27 . Сальник 97335

11973 → 97335

6 869 ₽

599 ₽

29 . ВИНТ Mercury 8M0040582

35366 → 14762 → 8M0040582

1 705 ₽

12 216 ₽

810 ₽

33 . 866340Q03 Масляный фильтр для Mercruiser 3.0-8.2L (QUICKSILVER)

866340Q02 → 802885Q → 14957 → 52731 → 32717 → 866340Q03

2 200 ₽

32 377 ₽

1 600 ₽

2 896 ₽

37 . БОЛТ Mercury 8M0064241

14243 → 8M0064241

552 ₽

2 625 ₽

530 ₽

40 . ГАЙКА Mercury 11996

FI1101239 → 11996

1 462 ₽

1 720 ₽

Уточняйте

Полезные статьи

Все статьи →
Связаться с нами