Установка катушки зажигания — [1C453840 & Up] - USA — купить в Victory Marine
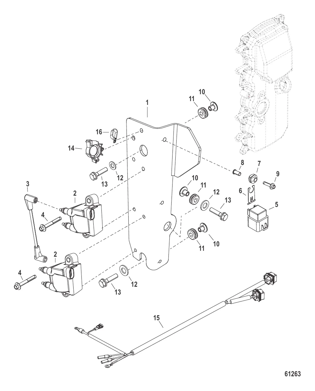
Установка катушки зажигания
1
4
6
7
8
9
10
11
14
16

Установка катушки зажигания

7 420 ₽

11 000 ₽

4 500 ₽

605 ₽

3 600 ₽

575 ₽

392 ₽

140 ₽

383 ₽

734 ₽

339 ₽

369 ₽

46 ₽

207 ₽

20 714 ₽

Уточняйте

Полезные статьи

Все статьи →
Обслуживание и ремонт

Белый, синий, чёрный дым из лодочного мотора — о чём говорит цвет выхлопа

Цвет дыма из выхлопа лодочного мотора — первый диагностический сигнал о проблеме. Разбираем, что означает белый, синий и чёрный дым, чем отличается норма от неисправности, и как ведут себя двух- и четырёхтактные моторы.

1 мин.
Гайды и подбор

Фильтры для лодочного мотора Mercury — каталог по моделям

Полный каталог фильтров для лодочных моторов Mercury: топливные, масляные и водоотделители. Таблица артикулов по моделям и советы по замене.

1 мин.
Гайды и подбор

Леска, плетёнка или флюорокарбон — что выбрать для спиннинга и донки

Подробно разбираем три типа рыболовных лесок — монофильную, плетёную и флюорокарбоновую. Сравниваем растяжимость, прочность, видимость и цену, чтобы вы точно знали, что намотать на катушку.

1 мин.
Связаться с нами