Транцевый кронштейн (Усилитель дифферента) — [0B110789 & Up] - USA - Cat.# 90-16403 — купить в Victory Marine
Транцевый кронштейн (Усилитель дифферента)
3
7
8
9
10
11
12
13
15
16
17
18
19
20
21

Транцевый кронштейн (Усилитель дифферента)

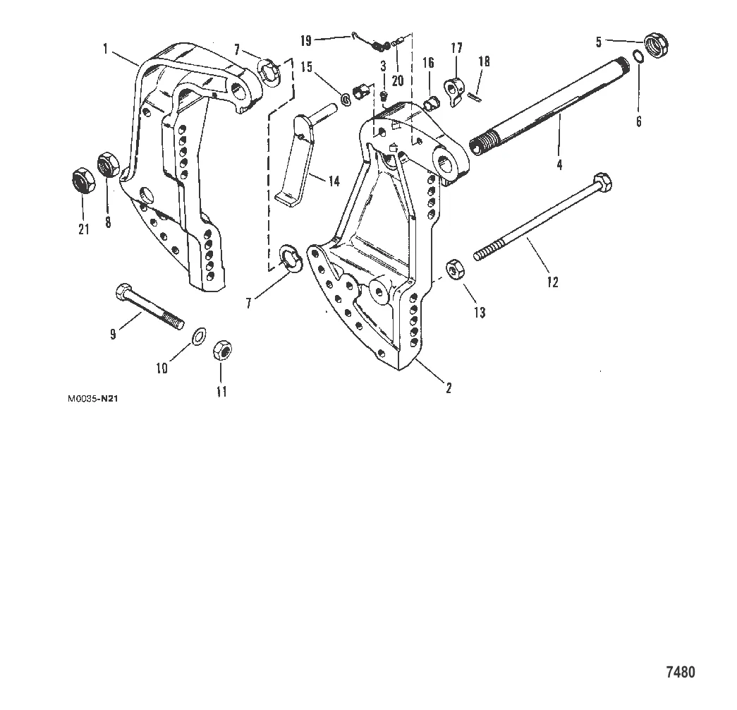
1 . КРОНШТЕЙН Транец Mercury 8718F8

8718T6 → 8718A2 → 8718A3 → 8718F8

35 967 ₽

37 117 ₽

37 120 ₽

37 120 ₽

399 ₽

Уточняйте

5 . ГАЙКА (1.00-14) Mercury 859133

34862 → 90068F2 → 90068T → 90068 → 859133

482 ₽

198 ₽

844 ₽

8 . ГАЙКА (0.875-14) Mercury 858869

30499 → 56041 → F1600 → 858869

602 ₽

9 . SCREW 8M0149747

677551 → 8M0149747

2 226 ₽

Уточняйте

968 ₽

6 870 ₽

269 ₽

14 . РЫЧАГ В СБОРЕ Штифт запирания наклона Mercury 8M0115104

8M0115103 → 99629T2 → 99629A2 → 99629A06 → 8M0115104

20 201 ₽

260 ₽

16 . NYLINER Mercury 65830

26850 → 29740 → 65830

376 ₽

17 . РУЧКА Mercury 99633

99633T6 → 99633T10 → 99633

611 ₽

593 ₽

1 040 ₽

626 ₽

1 706 ₽

Полезные статьи

Все статьи →
Связаться с нами