ТОПЛИВОПРОВОДЫ — [0G760300 THRU 0G960499] - USA — купить в Victory Marine
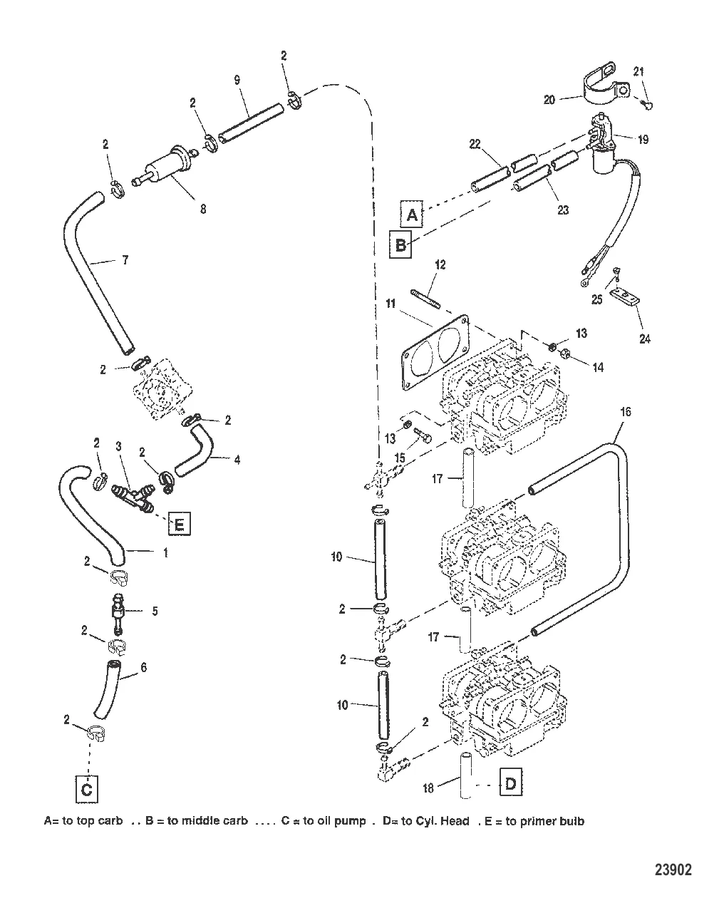
ТОПЛИВОПРОВОДЫ
2
3
4
5
7
11
12
14
15
16
20
24
25

ТОПЛИВОПРОВОДЫ

1 324 ₽

45 ₽

635 ₽

935 ₽

3 245 ₽

10 719 ₽

7 . РУКАВ Mercury 830762

824001 → 830762

1 009 ₽

8 732 ₽

292 ₽

314 ₽

109 ₽

14 . Гайка 8267089

20361 → 98451 → 8267089

140 ₽

291 ₽

6 600 ₽

3 874 ₽

31 729 ₽

547 ₽

228 ₽

4 690 ₽

323 ₽

335 ₽

152 ₽

Полезные статьи

Все статьи →
Связаться с нами