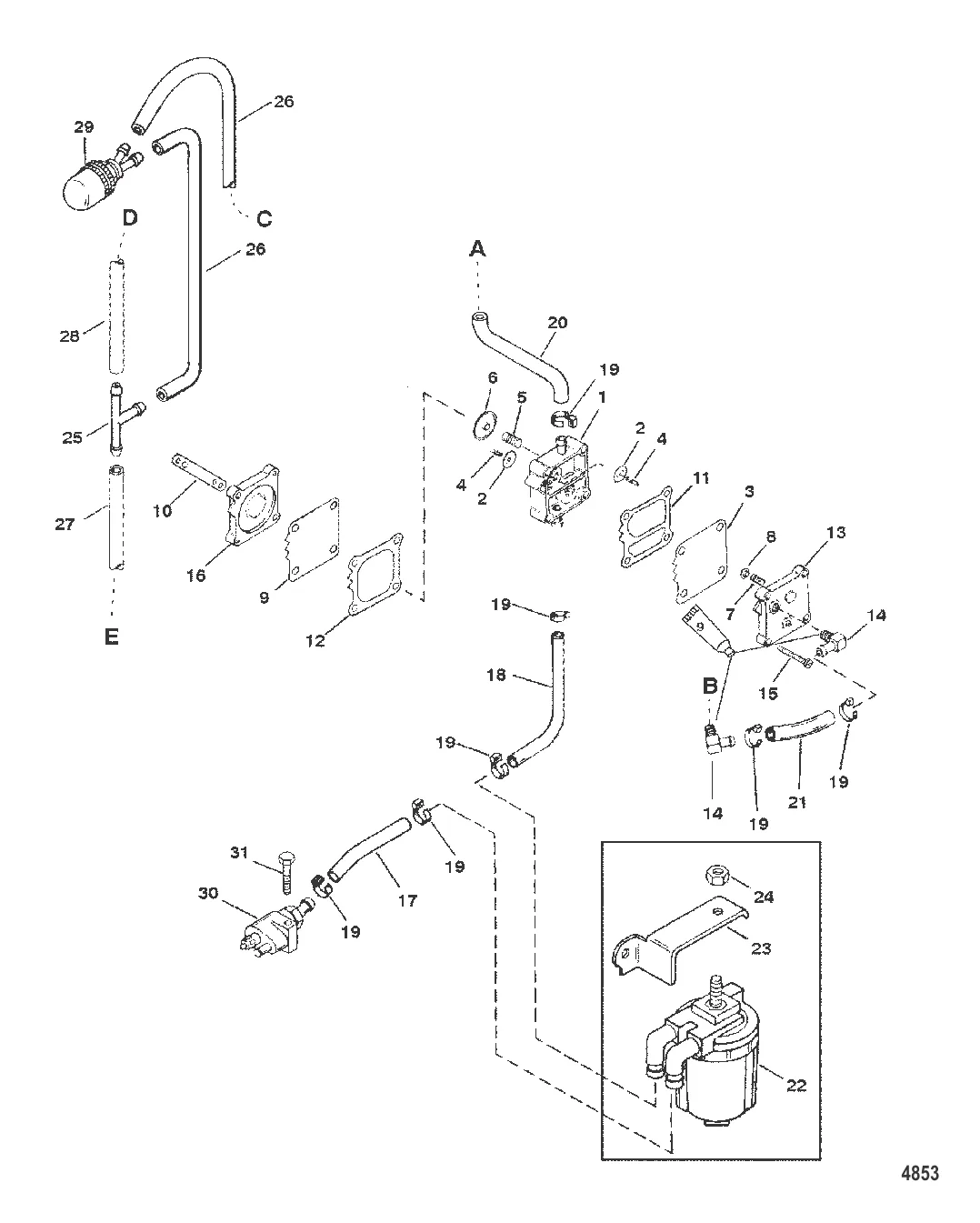
Топливный насос Вручную — [0P017000 THRU 0P325499] - Belgium — купить в Victory Marine
Топливный насос Вручную
10
12
13
15
16
19
20
22
23
25
28
30
31

Топливный насос Вручную

2 . Комплект диафрагм 857005A1

42990A10 → 42990A7 → 42990A4 → 42990A1 → 857005A1

4 375 ₽

70 ₽

Уточняйте

3 959 ₽

806 ₽

291 ₽

452 ₽

16 . БАЗА Mercury 144303

144301 → 144303

2 993 ₽

10 719 ₽

45 ₽

20 . РУКАВ Mercury 830768

818984 → 830768

1 233 ₽

3 874 ₽

2 105 ₽

3 072 ₽

409 ₽

851 ₽

6 600 ₽

9 581 ₽

5 529 ₽

254 ₽

Полезные статьи

Все статьи →
Связаться с нами