ТОПЛИВНЫЙ НАСОС (СЕРИЙНЫЙ №D000749 И НИЖЕ) — [0C101891 & Up] - USA - Cat.# 90-814697 — купить в Victory Marine
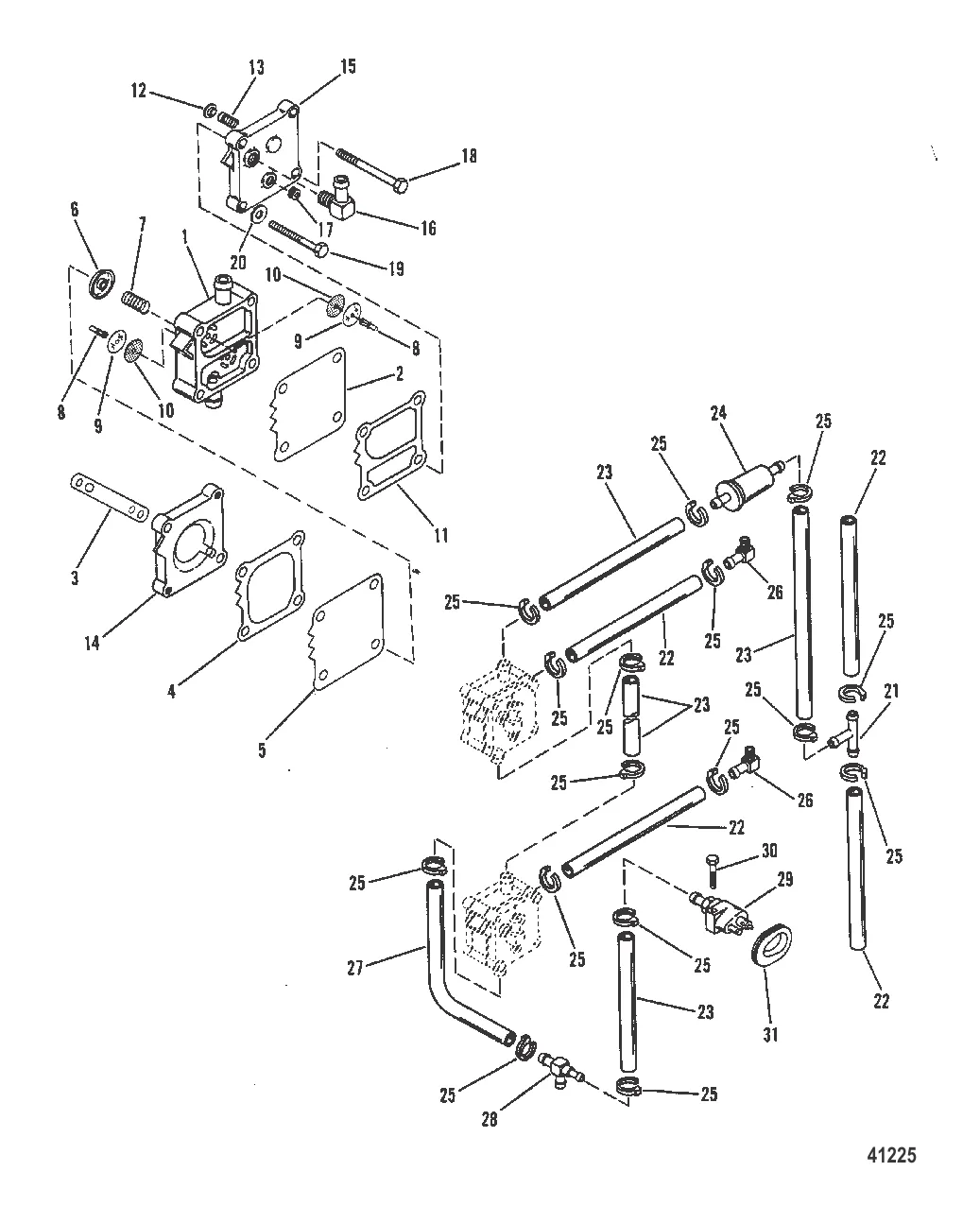
ТОПЛИВНЫЙ НАСОС (СЕРИЙНЫЙ №D000749 И НИЖЕ)
1
3
13
14
15
16
17
18
19
20
21
25
26
28
30
31

ТОПЛИВНЫЙ НАСОС (СЕРИЙНЫЙ №D000749 И НИЖЕ)

20 000 ₽

2 . Комплект диафрагм 857005A1

42990A10 → 42990A7 → 42990A4 → 42990A1 → 857005A1

4 375 ₽

70 ₽

Уточняйте

14 . БАЗА Mercury 144303

144301 → 144303

2 993 ₽

3 959 ₽

Уточняйте

4 109 ₽

491 ₽

127 ₽

318 ₽

Уточняйте

8 732 ₽

10 719 ₽

45 ₽

Уточняйте

7 781 ₽

9 342 ₽

3 218 ₽

431 ₽

887 ₽

Полезные статьи

Все статьи →
Связаться с нами