Тяга газа — [0N056165 & Up] — купить в Victory Marine
Тяга газа
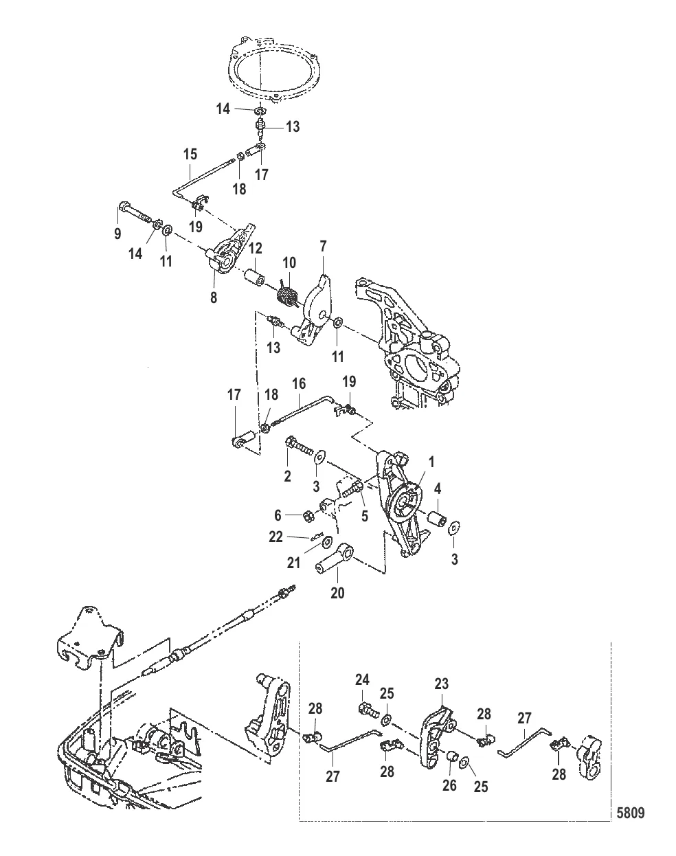
1
2
3
4
5
7
8
9
11
12
13
14
15
16
17
18
19
20
21
22
23
24
26
27
28

Тяга газа

1 869 ₽

225 ₽

216 ₽

298 ₽

5 . Болт 16830

95362 → 879194251 → 823042044 → 16830

247 ₽

257 ₽

1 339 ₽

1 407 ₽

2 361 ₽

439 ₽

716 ₽

11 . Шайба 953921

16237 → 16224 → 953921

284 ₽

779 ₽

825 ₽

14 . Шайба 400256

16819 → 95303 → 400256

225 ₽

15 . LINK-L Mercury 8M0054756

8555612 → 8M0054756

683 ₽

712 ₽

383 ₽

171 ₽

253 ₽

20 . разъем Mercury 8M0079131

853745003 → 8M0079131

309 ₽

299 ₽

167 ₽

518 ₽

24 . ВИНТ (M6 x 25) Mercury 4000330

16166 → 879194250 → 823042039 → 4000330

Уточняйте

133 ₽

26 . ВТУЛКА Mercury 8M0021168

9528624 → 8M0021168

653 ₽

387 ₽

208 ₽

Полезные статьи

Все статьи →
Связаться с нами