Стандартная система охлаждения — [0W310000 THRU 0W649999] — купить в Victory Marine
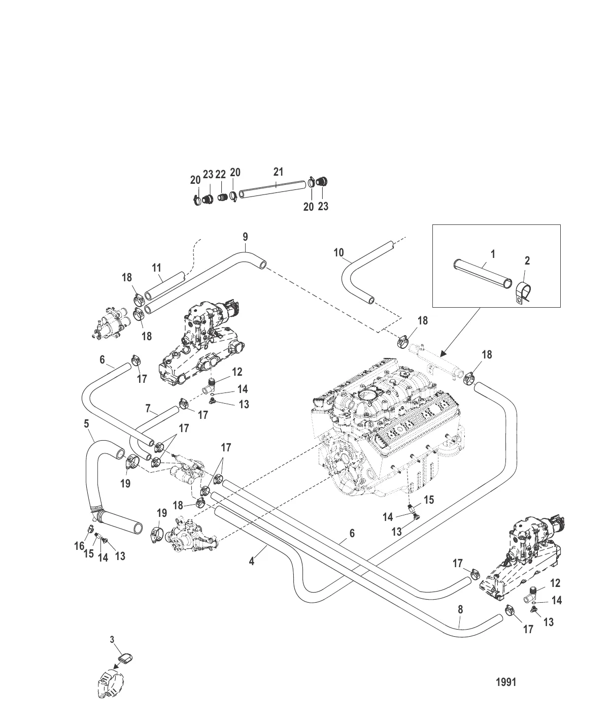
Стандартная система охлаждения
1
2
3
4
6
7
8
9
10
14
15
16
21
23

Стандартная система охлаждения

7 098 ₽

792 ₽

3 . ПРОБКА Mercury 8M0074364

8M6500037 → 8M0074364

41 ₽

12 668 ₽

8 393 ₽

6 . РУКАВ Mercury 864979

864538 → 864979

7 418 ₽

5 906 ₽

10 589 ₽

10 238 ₽

12 264 ₽

7 957 ₽

33 459 ₽

3 920 ₽

1 200 ₽

14 . Кольцо 62706

F468342 → 62706

171 ₽

Уточняйте

3 042 ₽

1 747 ₽

792 ₽

1 109 ₽

989 ₽

646 ₽

1 365 ₽

Полезные статьи

Все статьи →
Связаться с нами