Система охлаждения Теплообменник — 3.0L VM 150 V6 SD — купить в Victory Marine
Система охлаждения Теплообменник
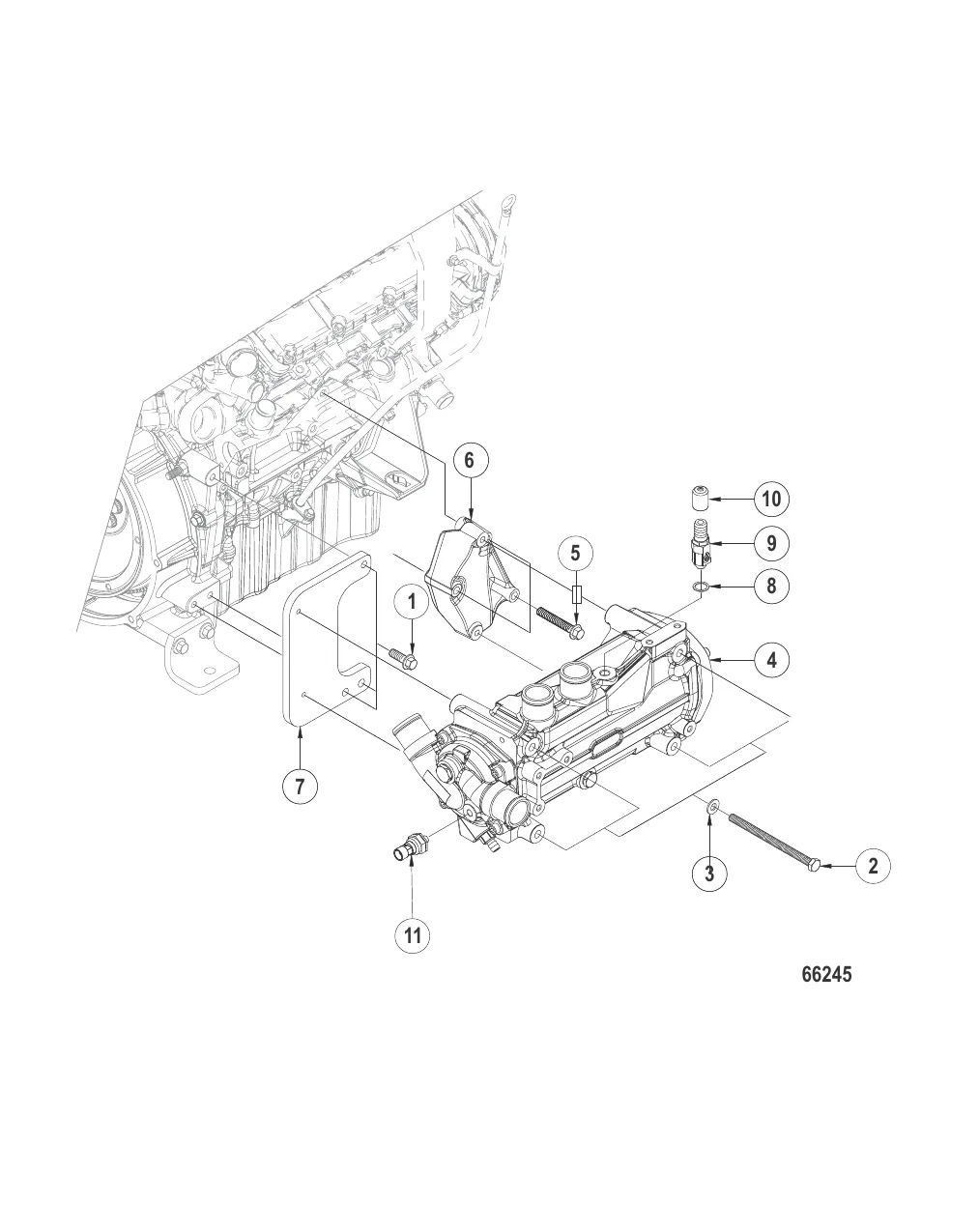
1
2
3
4
5
6
7
8
9
10
11

Система охлаждения Теплообменник

1 . ВИНТ Mercury 898101564

896332074 → 898101564

99 ₽

Уточняйте

3 . шайба Mercury 879194232

811479 → 879194232

27 ₽

4 . HEAT EXCHANGER 8M0155255

8M0129691 → 8M0155255

Уточняйте

185 ₽

6 . BRAKET-HEAT EXCH 8M0153361

8M0129642 → 8M0153361

Уточняйте

7 . BRACKET 8M0152576

8M0129634 → 8M0152576

Уточняйте

8 . ШАЙБА Mercury 889153

809963201 → 801765058 → 889153

109 ₽

5 763 ₽

Уточняйте

11 977 ₽

Полезные статьи

Все статьи →
Гайды и подбор

Лодочный прицеп — как выбрать, зарегистрировать и не нарваться на штраф

Гайд по выбору лодочного прицепа: типы, грузоподъёмность, ролики и ложементы. Регистрация в ГИБДД, категории прав, правила перевозки лодок и катеров. Разбираем частые ошибки и штрафы.

1 мин.
Гайды и подбор

Человек за бортом — алгоритм действий и манёвр спасения

Пошаговый алгоритм спасения человека за бортом: немедленные действия, манёвры Вильямсона и Шарнова, подход к пострадавшему, борьба с гипотермией. Теория и практические советы для каждого судоводителя.

1 мин.
Гайды и подбор

Рыбалка в Карелии с лодки — ТОП водоёмов, виды рыб, советы

Карелия — рай для рыбака с лодкой: тысячи озёр, чистейшая вода и трофейная рыба. Разбираем лучшие водоёмы, видовой состав, выбор мотора и всё, что нужно знать перед поездкой.

1 мин.
Связаться с нами