Система охлаждения Маслоохладитель, усилитель рулевого управления — 3.0L VM 270 V6 IB — купить в Victory Marine
Система охлаждения Маслоохладитель, усилитель рулевого управления
1
2
3
4
5
6
7
8
9
10

Система охлаждения Маслоохладитель, усилитель рулевого управления

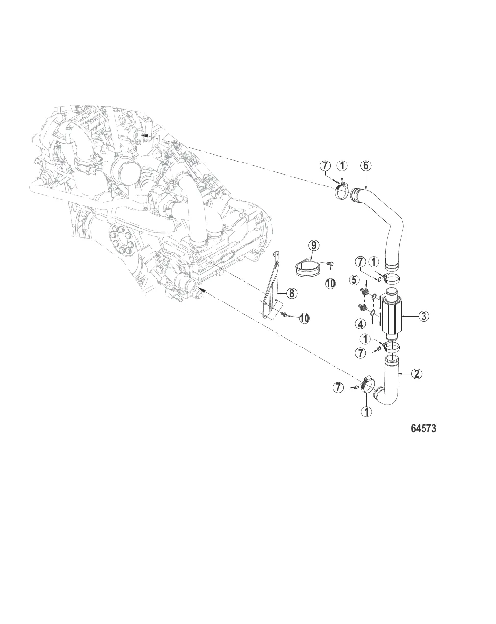
1 . Зажим 8M0129898

896332085 → 8M0129898

946 ₽

2 . HOSE 8M0129724

8M0129724

5 247 ₽

3 . COOLER-P/S 8M0155620

8M0129665 → 8M0155620

Уточняйте

90 ₽

2 768 ₽

6 . HOSE 8M0129722

8M0129722

Уточняйте

Уточняйте

8 . BRACKET 8M0152576

8M0129634 → 8M0152576

Уточняйте

Уточняйте

10 . ВИНТ Mercury 898101554

879286 → 898101554

67 ₽

Полезные статьи

Все статьи →
Связаться с нами