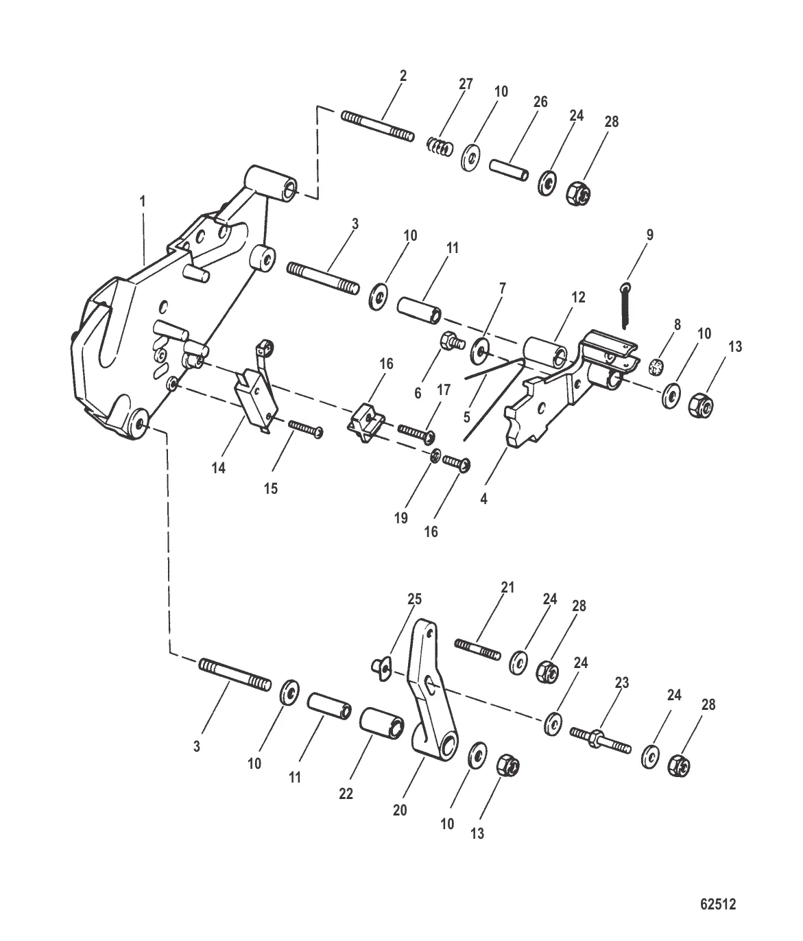
Shift Bracket (OLD DESIGN) — 1986-1988 [0A631894 THRU 0B785148] - Belgium - Cat.# 90-14296 — купить в Victory Marine
Shift Bracket (OLD DESIGN)
3
5
6
8
9
11
13
15
16
17
19
21
22
23
25
26
27
28

Shift Bracket (OLD DESIGN)

1 . Кронштейн механизма переключения хода Mercruiser Alpha/Bravo 807962A15

807962A14 → 807962A10 → 807962A3 → 99237A10 → 99237A2 → 807962A15

24 070 ₽

1 215 ₽

Уточняйте

Уточняйте

1 490 ₽

247 ₽

152 ₽

9 . ШПЛИНТ Mercury 328571

32857 → 22927 → 328571

268 ₽

284 ₽

Уточняйте

607 ₽

Уточняйте

86 ₽

640 ₽

239 ₽

19 . Шайба 26996

20040 → 26996

140 ₽

5 316 ₽

Уточняйте

Уточняйте

506 ₽

258 ₽

291 ₽

Уточняйте

387 ₽

28 . Гайка 8267089

20361 → 98451 → 8267089

140 ₽

Полезные статьи

Все статьи →
Связаться с нами