Шарнирный кронштейн — [0N001590 THRU 0N055284] — купить в Victory Marine
Шарнирный кронштейн
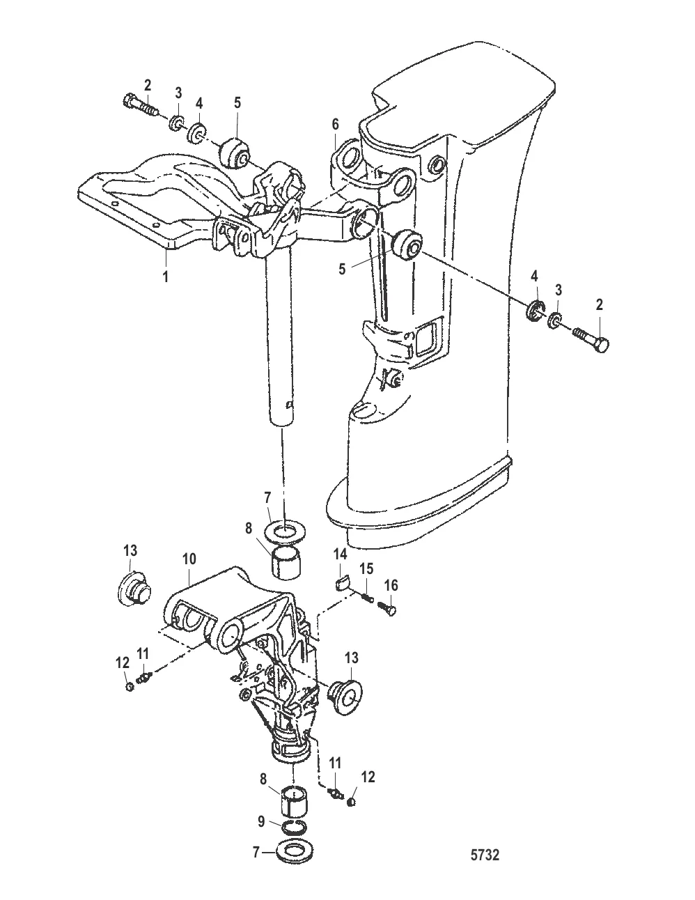
1
2
3
4
5
6
7
8
9
10
11
12
13
14
15
16

Шарнирный кронштейн

1 . STEERING SHAFT 8M0149919

803773 → 8M0149919

Уточняйте

1 269 ₽

191 ₽

4 . шайба Mercury 8M0056392

853822003 → 8M0056392

343 ₽

5 . MOUNT 8M0153613

8037752 → 8M0153613

4 081 ₽

2 047 ₽

581 ₽

683 ₽

315 ₽

27 869 ₽

291 ₽

Уточняйте

668 ₽

707 ₽

567 ₽

342 ₽

Полезные статьи

Все статьи →
Связаться с нами