Румпельная рукоятка — [0P017000 THRU 0P153499] - Belgium — купить в Victory Marine
Румпельная рукоятка
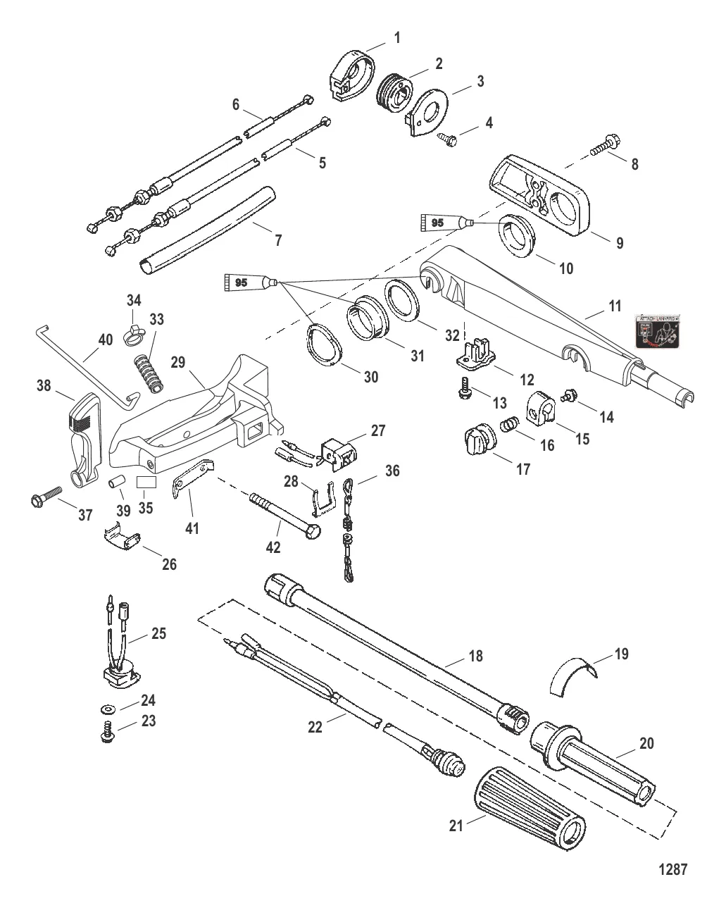
1
2
4
7
8
9
12
13
14
16
18
19
20
21
22
23
26
27
28
29
30
31
32
34
35
36
37
39
41
42

Румпельная рукоятка

26 084 ₽

5 586 ₽

226 ₽

4 860 ₽

4 859 ₽

236 ₽

646 ₽

9 . КРЫШКА Mercury 8M0072298

822407F1 → 8M0072298

6 224 ₽

65 798 ₽

472 ₽

321 ₽

14 . ВИНТ (M6 x 25) Mercury 4000330

16166 → 879194250 → 823042039 → 4000330

Уточняйте

1 093 ₽

520 ₽

2 757 ₽

18 . TILLER TUBE Mercury 8M0138696

821463A2 → 8M0138696

14 308 ₽

1 380 ₽

4 109 ₽

21 . РУКОЯТКА Mercury 99589003

99589 → 92770 → 99589003

Уточняйте

10 631 ₽

159 ₽

46 ₽

11 551 ₽

790 ₽

10 117 ₽

719 ₽

34 461 ₽

1 161 ₽

3 776 ₽

854 ₽

45 ₽

Уточняйте

36 . LANYARD ASSEMBLY 15920Q54

15920A54 → 86352 → 15920Q54

1 262 ₽

491 ₽

12 776 ₽

3 348 ₽

12 745 ₽

791 ₽

1 066 ₽

Полезные статьи

Все статьи →
Гайды и подбор

Якорь для лодки ПВХ — какой выбрать по весу, типу и дну водоёма

Разбираем типы якорей для надувных лодок: грибовидный, Дэнфорта, складной, кошка. Как рассчитать вес, какой трос использовать и как правильно якориться на разном дне — от ила до камней.

1 мин.
Обслуживание и ремонт

Карбюратор лодочного мотора: чистка, регулировка, типичные проблемы

Как почистить и отрегулировать карбюратор на лодочном моторе Mercury, Tohatsu, Yamaha 5-30 л.с. Разборка, промывка жиклёров, замена ремкомплекта, настройка холостого хода — всё по шагам.

1 мин.
Гайды и подбор

Транспортный налог на лодку и катер 2026 — ставки, расчёт, льготы

Разбираем транспортный налог на маломерные суда в 2026 году: ставки по регионам, формула расчёта, льготы для ветеранов и инвалидов. Примеры расчёта для моторов разной мощности.

1 мин.
Связаться с нами