Пластина и автоматический обогатитель — 1999 [0E345000 THRU 0E369299] - Belgium — купить в Victory Marine
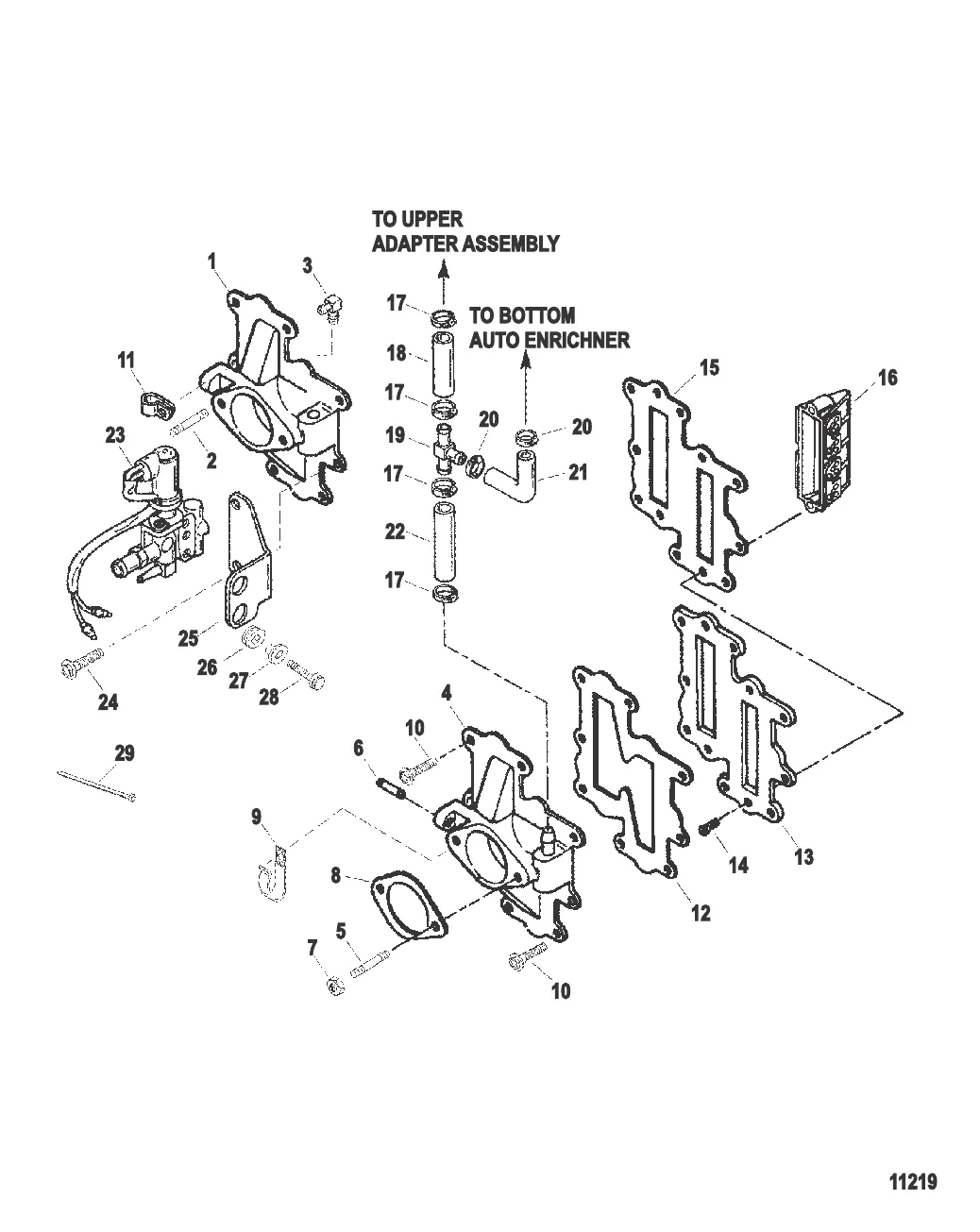
Пластина и автоматический обогатитель
1
3
4
5
6
7
8
9
10
11
12
13
14
15
17
19
21
23
24
25
26
27
28
29

Пластина и автоматический обогатитель

Уточняйте

2 092 ₽

Уточняйте

356 ₽

841 ₽

7 . ГАЙКА (.375-16) Mercury 86226

F1346 → F1347 → FI3600004 → 86226

218 ₽

266 ₽

9 . J-ЗАЖИМ Mercury 65292

8M0024808 → 65292

296 ₽

258 ₽

185 ₽

599 ₽

2 075 ₽

14 . винт Mercury F1831

826380 → F1831

Уточняйте

443 ₽

22 779 ₽

742 ₽

3 053 ₽

844 ₽

935 ₽

1 610 ₽

52 742 ₽

235 ₽

1 198 ₽

339 ₽

734 ₽

298 ₽

28 ₽

Полезные статьи

Все статьи →
Связаться с нами