Переходная пластина – нижняя — [2B144123 THRU 2B578935] - USA — купить в Victory Marine
Переходная пластина – нижняя
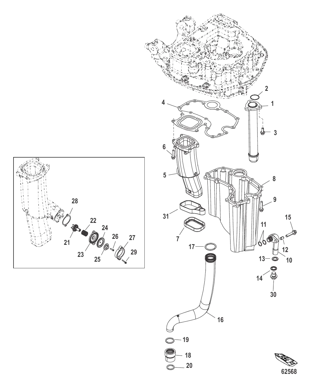
1
4
5
6
7
8
11
12
13
14
16
17
18
19
20
21
22
23
24
25
26
27
28
31

Переходная пластина – нижняя

13 365 ₽

398 ₽

369 ₽

2 200 ₽

41 087 ₽

561 ₽

1 709 ₽

35 636 ₽

8 254 ₽

9 160 ₽

208 ₽

525 ₽

318 ₽

1 000 ₽

450 ₽

10 716 ₽

11 075 ₽

9 970 ₽

1 185 ₽

514 ₽

500 ₽

20 . Кольцо 21836

20679 → 21836

136 ₽

5 177 ₽

902 ₽

7 199 ₽

1 077 ₽

1 372 ₽

223 ₽

2 617 ₽

460 ₽

574 ₽

2 420 ₽

199 ₽

Полезные статьи

Все статьи →
Связаться с нами