Насос для забортной воды — [2A456613 THRU 2A530775] — купить в Victory Marine
Насос для забортной воды
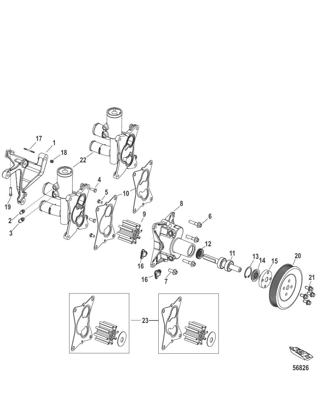
1
4
5
6
7
8
10
11
13
14
15
17
18
19
20
21
22
23

Насос для забортной воды

20 554 ₽

1 098 ₽

2 410 ₽

264 ₽

482 ₽

413 ₽

464 ₽

8 . IMPELLER HSG ASY 8M0139978

8M0137209 → 8M0139978

103 760 ₽

6 900 ₽

6 445 ₽

5 715 ₽

18 990 ₽

1 600 ₽

Уточняйте

1 108 ₽

15 . ВТУЛКА Mercury 8M0109086

8M0074979 → 8M0109086

3 259 ₽

1 200 ₽

17 . STUD 8M0144671

8M0097732 → 8M0144671

562 ₽

18 . NUT 8M0145569

8M0090535 → 8M0145569

Уточняйте

511 ₽

20 . PULLEY 8M0158970

8M0074941 → 8M0158970

5 234 ₽

328 ₽

85 514 ₽

107 313 ₽

13 357 ₽

12 885 ₽

Полезные статьи

Все статьи →
Связаться с нами