Популярные города
Товаров не найдено, но мы можем привезти под заказ
Нет аккаунта?
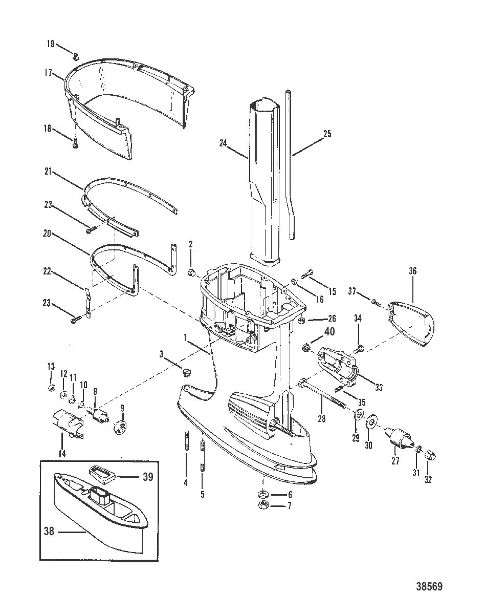
УДЛИНИТЕЛЬ В СБОРЕ Mercury 98858A1
98858A1
уплотнитель @2 Mercury 37721001
37721 → 37721001
ГАЙКА Mercury 35521
35521
Уточняйте
1 397 ₽
290 ₽
Кому нужна регистрация лодки и мотора, какие документы собирать, сколько стоит, как получить права на управление маломерным судном. Штрафы, техосмотр и ответы на частые вопросы — всё в одной статье.
Когда менять крыльчатку водяной помпы, как не пропустить признаки износа и чем грозит перегрев из-за старого импеллера.
Мотор молчит? Разбираем по шагам: искра, топливо, компрессия. Типичные причины отказа запуска по сезонам и что можно починить прямо на воде своими руками.
Контакты
+7 800 555-65-49
Бесплатно по России — нажмите, чтобы позвонить
Написать нам
Перезвоните мне
Оставьте номер — наш эксперт перезвонит и подберёт нужные запчасти
Нажимая кнопку, вы соглашаетесь на обработку персональных данных
Наш эксперт свяжется с вами в ближайшее время
Скидка будет применена к вашему заказу