Популярные города
Товаров не найдено, но мы можем привезти под заказ
Нет аккаунта?
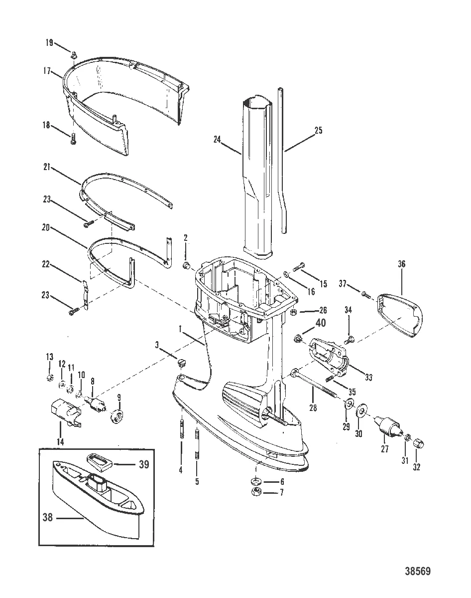
УДЛИНИТЕЛЬ В СБОРЕ Mercury 98858A1
98858A1
уплотнитель @2 Mercury 37721001
37721 → 37721001
ГАЙКА Mercury 35521
35521
Уточняйте
1 397 ₽
290 ₽
Румпель или дистанция? Разбираем комплект ДУ для лодки: машинка, тросы, рулевая система, электрика. Пошаговая установка, цены, нюансы выбора для Mercury.
Полный гайд по спиннинговой ловле щуки с лодки: лучшие приманки по сезонам, техника проводки, выбор мест и типичные ошибки. Практические советы от опытных рыболовов.
Правила транспортировки двухтактных и четырёхтактных лодочных моторов в автомобиле. Почему положение при перевозке критически важно, как подготовить топливную систему и чем грозят ошибки — разбираем на примерах Mercury.
Контакты
+7 800 555-65-49
Бесплатно по России — нажмите, чтобы позвонить
Написать нам
Перезвоните мне
Оставьте номер — наш эксперт перезвонит и подберёт нужные запчасти
Нажимая кнопку, вы соглашаетесь на обработку персональных данных
Наш эксперт свяжется с вами в ближайшее время
Скидка будет применена к вашему заказу