КОРПУС ВЕДУЩЕГО ВАЛА (С/Н 0G438000 И ВЫШЕ) — [0G245605 THRU 0G760299] - USA — купить в Victory Marine
КОРПУС ВЕДУЩЕГО ВАЛА (С/Н 0G438000 И ВЫШЕ)
2
3
4
7
8
10
11
12
13
14
15
18
19
20
22
23
24
25
28
29

КОРПУС ВЕДУЩЕГО ВАЛА (С/Н 0G438000 И ВЫШЕ)

459 943 ₽

516 743 ₽

199 585 ₽

Уточняйте

2 934 ₽

2 514 ₽

1 184 ₽

1 223 ₽

738 ₽

3 542 ₽

943 ₽

1 507 ₽

789 ₽

28 810 ₽

507 ₽

743 ₽

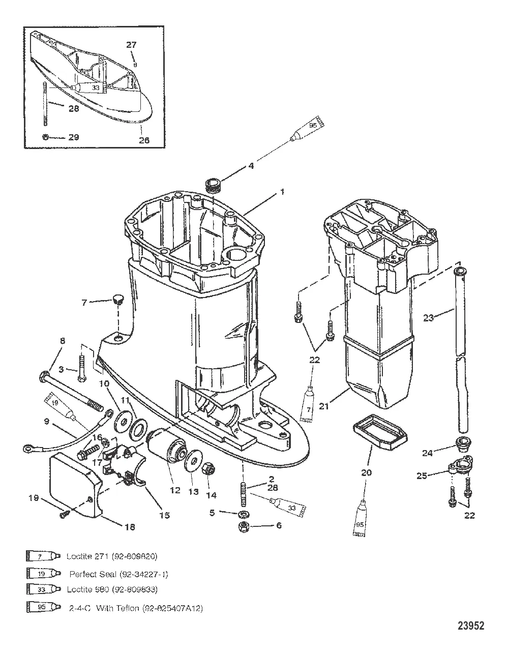
15 . ЗАЖИМ Mercury 8186442

8186441 → 8186442

2 558 ₽

129 ₽

Уточняйте

Уточняйте

1 568 ₽

144 ₽

5 791 ₽

Уточняйте

540 ₽

23 . TUBE-WATER Mercury 8M0042785

8329417 → 8M0042785

7 232 ₽

11 175 ₽

23 . TUBE-WATER Mercury 8M0042787

8329419 → 8M0042787

21 556 ₽

1 015 ₽

25 . ЗАЖИМ Mercury 8329391

832939 → 8329391

1 580 ₽

26 . ПРОСТАВКА Корпус ведущего вала XL Mercury 8M0105088

8M0071622 → 880647T04 → 823979T1 → 823979F1 → 8M0105088

57 410 ₽

26 . ORD 823979T 1 Mercury 823979T5

823979F3 → 823979T5

72 610 ₽

306 ₽

Уточняйте

6 053 ₽

2 159 ₽

Полезные статьи

Все статьи →
Связаться с нами