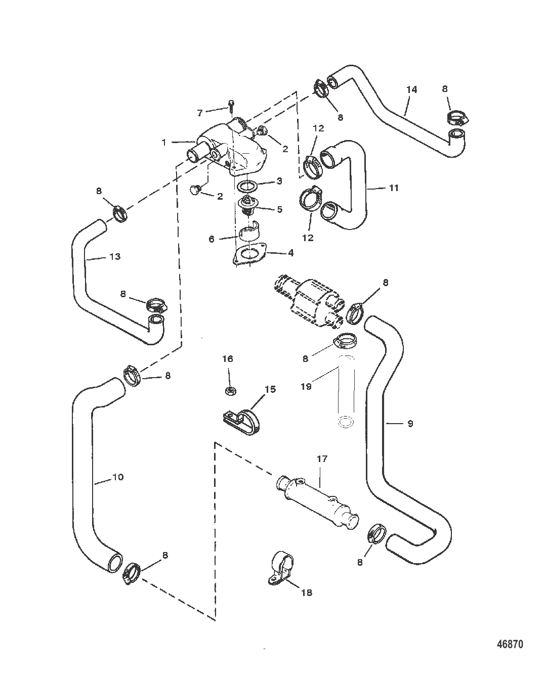
КОРПУС ТЕРМОСТАТА (СТАНДАРТНАЯ СИСТЕМА ОХЛАЖДЕНИЯ) — 1996 [0F602000 THRU 0K001500] - Belgium — купить в Victory Marine
КОРПУС ТЕРМОСТАТА (СТАНДАРТНАЯ СИСТЕМА ОХЛАЖДЕНИЯ)
2
7
9
10
13
14
15
16
17
18

КОРПУС ТЕРМОСТАТА (СТАНДАРТНАЯ СИСТЕМА ОХЛАЖДЕНИЯ)

Уточняйте

Уточняйте

600 ₽

5 . 8M0109441 Термостат Mercruiser 3.0-8.1 ( QUICKSILVER )

8M0091470 → 807252T2 → 8072522 → 8052732 → 8M0109441

5 800 ₽

1 900 ₽

678 ₽

989 ₽

6 842 ₽

5 700 ₽

8 393 ₽

1 109 ₽

7 453 ₽

7 928 ₽

Уточняйте

298 ₽

36 002 ₽

653 ₽

33 459 ₽

Полезные статьи

Все статьи →
Связаться с нами