Корпус кардана (2A514802 и ниже) — [0W250000 & Up] — купить в Victory Marine
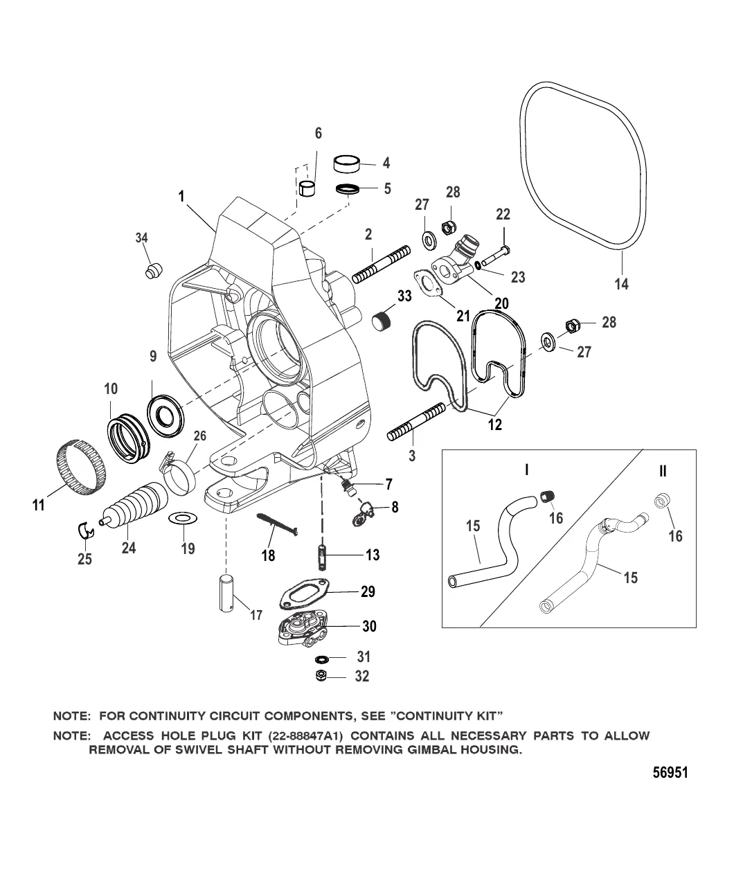
Корпус кардана (2A514802 и ниже)
1
2
3
7
13
15
16
18
19
20
21
22
23
25
27
28
32
34

Корпус кардана (2A514802 и ниже)

442 643 ₽

487 791 ₽

1 064 ₽

1 745 ₽

980 ₽

5 598 ₽

3 600 ₽

4 000 ₽

2 400 ₽

Уточняйте

519 ₽

300 ₽

3 800 ₽

17 500 ₽

Уточняйте

422 ₽

3 726 ₽

5 500 ₽

193 ₽

1 000 ₽

6 700 ₽

250 ₽

500 ₽

2 819 ₽

170 ₽

394 ₽

123 ₽

86 ₽

3 800 ₽

25 . зажим @5 Mercury 8M0090424

866507 → 38863 → 8M0090424

770 ₽

897 ₽

208 ₽

350 ₽

260 ₽

17 000 ₽

190 ₽

266 ₽

767 ₽

1 083 ₽

Полезные статьи

Все статьи →
Связаться с нами