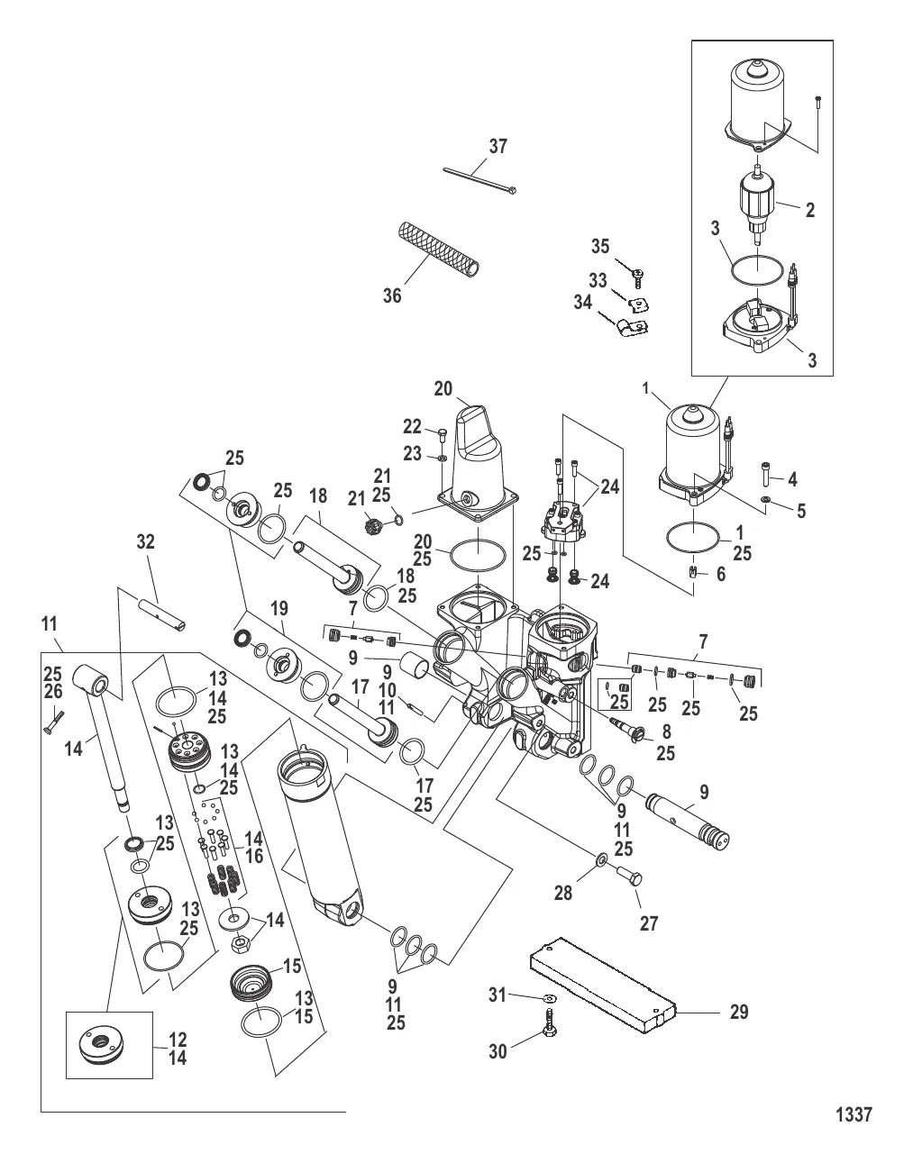
Компоненты усилителя дифферента Металлический корпус двигателя — [1E052967 & Up] — купить в Victory Marine
Компоненты усилителя дифферента Металлический корпус двигателя
1
4
5
7
9
10
11
12
14
15
17
20
22
24
26
27
28
30
32
33
34
35
37

Компоненты усилителя дифферента Металлический корпус двигателя

39 900 ₽

347 ₽

5 . Шайба 400256

16819 → 95303 → 400256

225 ₽

4 946 ₽

13 779 ₽

8 637 ₽

9 . TILT SHAFT KIT 8M0142997

878241A03 → 8M0142997

54 062 ₽

4 341 ₽

11 . CYLINDER KIT TILT 8M0168220

8M0142998 → 8M0168220

217 785 ₽

Уточняйте

10 000 ₽

14 . SHOCK ROD KIT 8M0168219

8M0143005 → 8M0168219

175 480 ₽

8 249 ₽

8 740 ₽

40 581 ₽

18 . ПОРШЕНЬ В СБОРЕ Mercury 878413A1

43397T6 → 43397A6 → 43397A3 → 99628A1 → 878413A1

53 439 ₽

27 285 ₽

9 319 ₽

3 500 ₽

379 ₽

103 ₽

36 931 ₽

17 000 ₽

755 ₽

329 ₽

28 . ШАЙБА Mercury 4002319

4002219 → 809931072 → 4002319

347 ₽

30 . ВИНТ (M6 x 25) Mercury 4000330

16166 → 879194250 → 823042039 → 4000330

Уточняйте

113 ₽

32 . ВАЛ Mercury 99625002

996251 → 99625002

3 089 ₽

152 ₽

573 ₽

226 ₽

45 ₽

Полезные статьи

Все статьи →
Связаться с нами