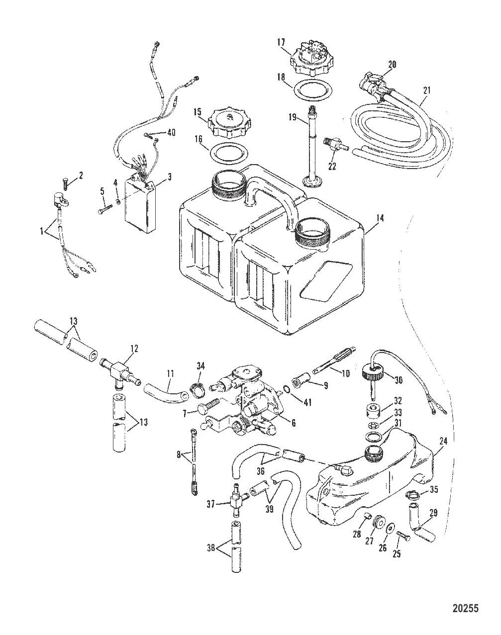
Компоненты системы впрыскивания масла — [5600162 THRU 0A904645] - Cat.# 90-818855 — купить в Victory Marine
Компоненты системы впрыскивания масла
4
6
7
8
9
10
14
15
19
20
21
25
26
27
28
31
32
33
34
35
37
38
40
41

Компоненты системы впрыскивания масла

1 . ДАТЧИК В СБОРЕ Mercury 12430A4

12430A1 → 41460A2 → 12430A4

21 906 ₽

225 ₽

3 . модуль-OILWARNING Mercury 41470A27

41470A21 → 41470A11 → 41470A4 → 41470A3 → 41470A27

53 186 ₽

451 ₽

57 581 ₽

259 ₽

55 ₽

Уточняйте

5 379 ₽

10 992 ₽

1 324 ₽

14 . БАК Mercury 87421

8742 → 87421

12 893 ₽

5 050 ₽

30 077 ₽

523 ₽

18 . Винт Solas 11009

43299 → 11009

Уточняйте

2 694 ₽

Уточняйте

11 984 ₽

22 . ОБРАТНЫЙ КЛАПАН Mercury 8781051

878105 → 432783 → 432781 → 43278 → 8781051

6 143 ₽

24 . РЕЗЕРВУАР Mercury 994436

994435 → 994434 → 994433 → 99443 → 994436

31 055 ₽

297 ₽

253 ₽

568 ₽

359 ₽

29 . ТРУБОПРОВОД (Общая длина 25.00") Mercury 82381455

82381451 → 82381436 → 4301736 → 4301715 → 42544 → 82381455

2 521 ₽

30 . КОЛПАЧОК В СБОРЕ Mercury 43300A9

43300A1 → 99024A4 → 43300A9

12 078 ₽

518 ₽

Уточняйте

259 ₽

338 ₽

195 ₽

Уточняйте

2 398 ₽

8 732 ₽

239 ₽

597 ₽

Полезные статьи

Все статьи →
Гайды и подбор

Электрический насос для лодки ПВХ — какой выбрать и не пожалеть

Разбираемся в типах электрических насосов для лодок ПВХ: низкого и высокого давления, двухступенчатые модели. Сравниваем Bravo, Scoprega, Intex. Подскажем, какой насос подойдёт для вашей лодки.

1 мин.
Обслуживание и ремонт

Перегрев лодочного мотора — 7 причин и что делать прямо на воде

Перегрев — одна из самых опасных ситуаций для подвесного мотора. Разбираем 7 основных причин перегрева и даём пошаговую инструкцию, что делать, если температура полезла вверх прямо посреди водоёма.

1 мин.
Сравнения и обзоры

Китайские лодочные моторы — стоит ли покупать или лучше взять японский

Честное сравнение китайских и японских лодочных моторов. Разбираем Hidea, Parsun, Reef Rider — что внутри, как с запчастями, перепродажей и реальным ресурсом.

1 мин.
Связаться с нами