Компоненты распределительной коробки — [0P520553 THRU 2B144122] - Belgium — купить в Victory Marine
Компоненты распределительной коробки
2
3
4
5
6
7
8
9
11
16
20
21
22
23
24
28
29
31
35
37
40
41

Компоненты распределительной коробки

42 318 ₽

29 725 ₽

450 ₽

220 ₽

227 ₽

726 ₽

583 ₽

426 ₽

1 168 ₽

269 ₽

256 ₽

328 ₽

133 ₽

316 ₽

1 232 689 ₽

1 162 920 ₽

1 255 216 ₽

1 233 068 ₽

1 231 145 ₽

1 193 925 ₽

1 421 807 ₽

1 144 465 ₽

1 144 467 ₽

1 102 001 ₽

1 136 406 ₽

1 426 723 ₽

196 793 ₽

3 310 ₽

Уточняйте

2 752 ₽

283 ₽

3 571 ₽

10 655 ₽

18 387 ₽

78 ₽

45 ₽

239 ₽

147 ₽

7 873 ₽

429 ₽

369 ₽

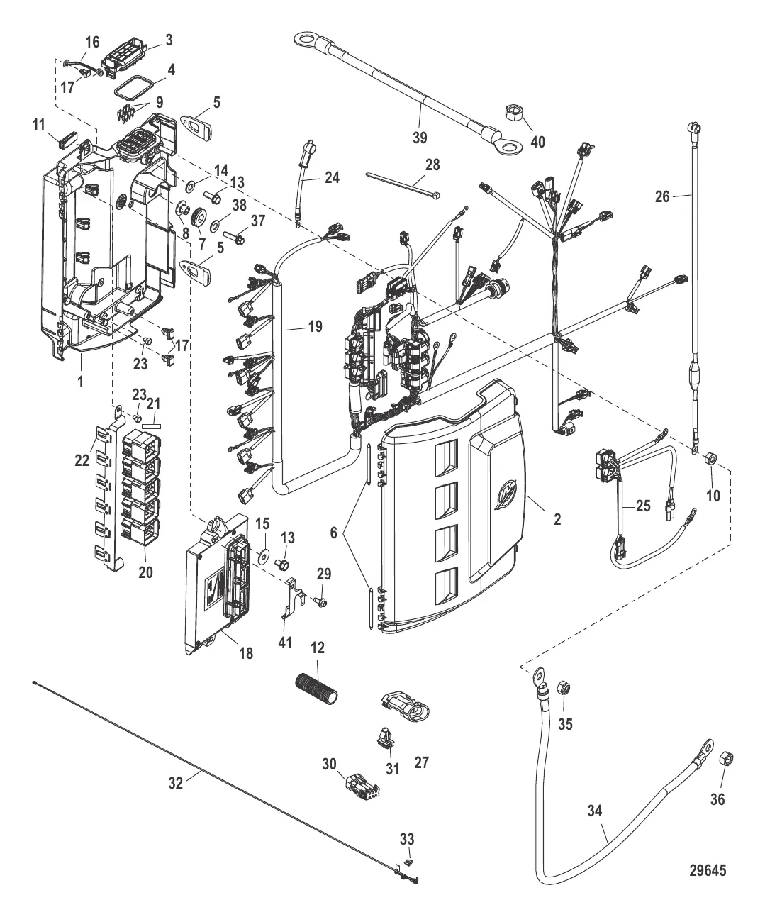
36 . ГАЙКА (.375-16) Mercury 86226

F1346 → F1347 → FI3600004 → 86226

218 ₽

561 ₽

201 ₽

40 . ГАЙКА (0.312-18) Mercury 68292

F1349 → F1330 → 68292

197 ₽

741 ₽

Полезные статьи

Все статьи →
Связаться с нами