Комплект румпельной рукоятки (Румпель Big Tiller – ручной, механический) конструкция I — Механические — купить в Victory Marine
Комплект румпельной рукоятки (Румпель Big Tiller – ручной, механический) конструкция I
3
4
6
7
8
9
10
11
13
14
15
16
18
19
20
22
23
24
25
27
28
30
31
32
33
34
35
37
38
40
44
46
47
49
50
51
53
54
55
56
59
60
61
63
64
65
66
67

Комплект румпельной рукоятки (Румпель Big Tiller – ручной, механический) конструкция I

10 051 ₽

298 ₽

599 ₽

3 947 ₽

5 824 ₽

2 084 ₽

1 105 ₽

412 ₽

650 ₽

15 728 ₽

205 ₽

413 ₽

650 ₽

13 696 ₽

627 ₽

853 ₽

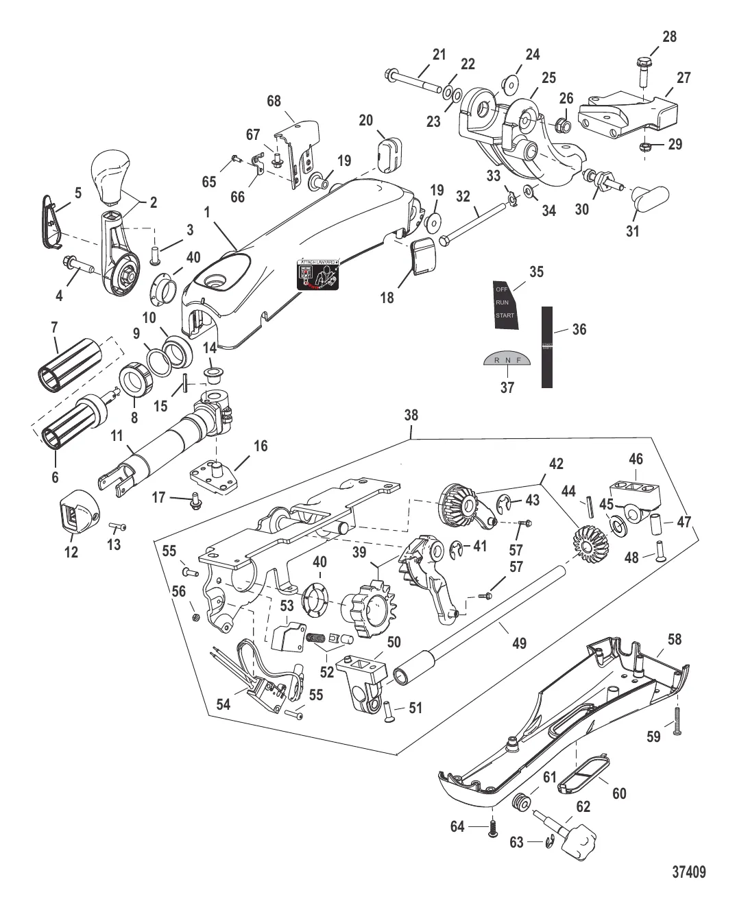
19 . ВТУЛКА Mercury 8M0035136

8M0031304 → 8M0035136

887 ₽

489 ₽

1 354 ₽

22 . ШАЙБА Mercury 4002319

4002219 → 809931072 → 4002319

347 ₽

743 ₽

2 787 ₽

14 725 ₽

508 ₽

44 104 ₽

4 546 ₽

29 . ГАЙКА (0.375-24), латунь Mercury 8M0042636

826709113 → 34863 → 20509 → 8M0042636

Уточняйте

8 246 ₽

1 359 ₽

679 ₽

972 ₽

34 . ШАЙБА Mercury 34437

F1987 → F8035 → 34437

311 ₽

556 ₽

1 572 ₽

357 ₽

72 363 ₽

10 699 ₽

1 574 ₽

18 148 ₽

1 000 ₽

786 ₽

773 ₽

791 ₽

824 ₽

923 ₽

1 014 ₽

450 ₽

Уточняйте

1 839 ₽

166 ₽

4 265 ₽

7 816 ₽

5 099 ₽

419 ₽

59 ₽

464 ₽

1 495 ₽

2 300 ₽

10 690 ₽

63 . Кольцо 29641

20233 → 29641

198 ₽

258 ₽

932 ₽

753 ₽

653 ₽

3 130 ₽

Полезные статьи

Все статьи →
Связаться с нами