КОЛПАЧКИ И ВЫХЛОПНАЯ КРЫШКА — [9570790 & Up] - Belgium - Cat.# 90-814698 — купить в Victory Marine
КОЛПАЧКИ И ВЫХЛОПНАЯ КРЫШКА
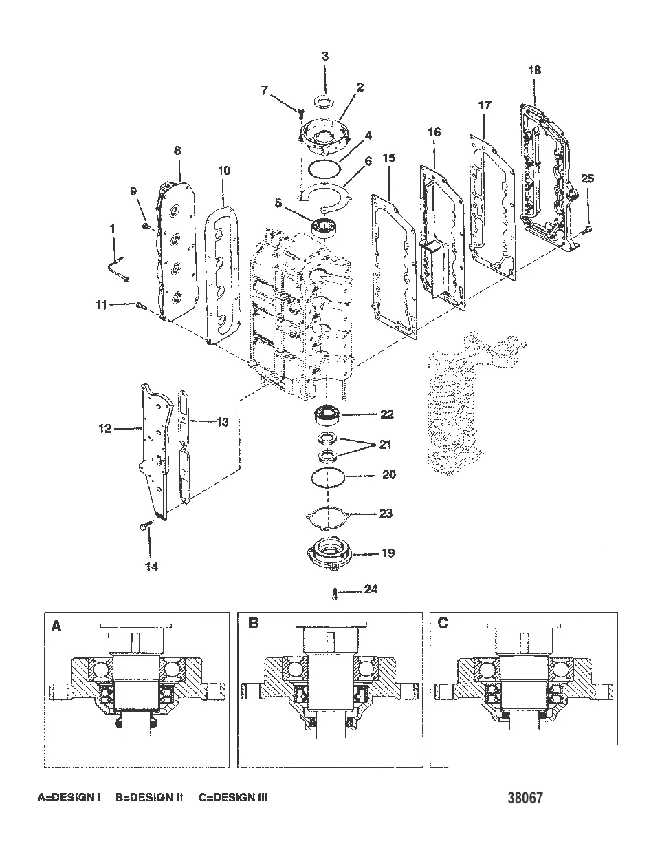
1
2
4
6
7
8
10
11
12
13
14
15
16
17
18
19
20
22
23
25

КОЛПАЧКИ И ВЫХЛОПНАЯ КРЫШКА

51 924 ₽

21 342 ₽

337 ₽

1 304 ₽

2 001 ₽

Уточняйте

1 000 ₽

4 256 ₽

161 ₽

5 085 ₽

393 ₽

Уточняйте

1 487 ₽

Уточняйте

1 328 ₽

18 . КРЫШКА Mercury 77381

75966 → 72028 → 77381

Уточняйте

Уточняйте

21 260 ₽

670 ₽

Уточняйте

21 . Сальник 66301

56741 → 66301

3 128 ₽

5 810 ₽

11 848 ₽

339 ₽

368 ₽

Полезные статьи

Все статьи →
Связаться с нами