Картер редуктора (Ведущий вал)(без муфты ведущего вала) — [4868998 THRU 0A904645] - Cat.# 90-818855 — купить в Victory Marine
Картер редуктора (Ведущий вал)(без муфты ведущего вала)
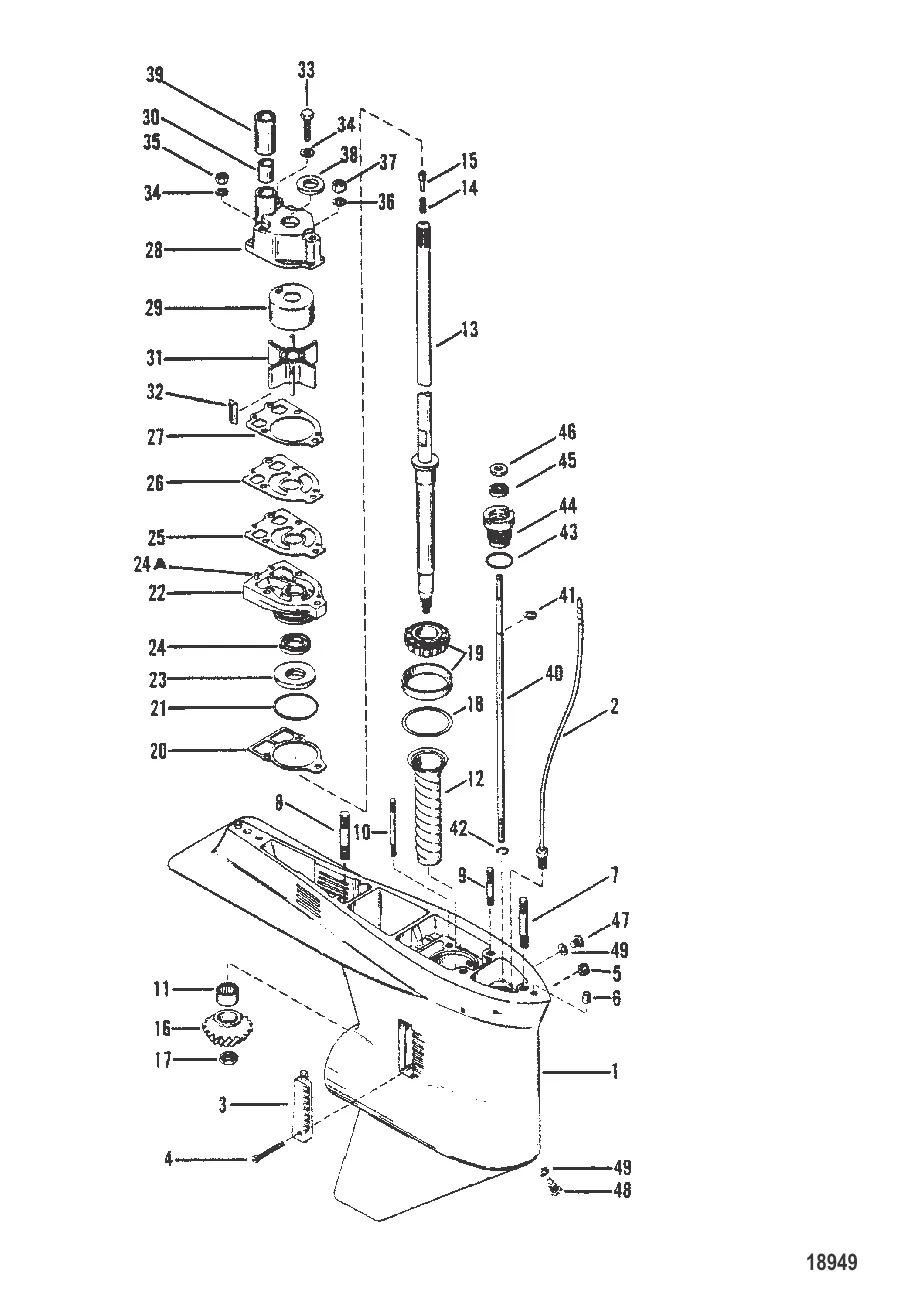
1
3
4
7
8
9
10
11
12
13
14
15
16
17
20
21
23
24
25
26
27
28
29
30
32
33
36
38
39
41
42
43
44
46

Картер редуктора (Ведущий вал)(без муфты ведущего вала)

1 . GEAR HSG-BASIC-BL Mercury 8688T9

8688A9 → 7350A4 → 6693A4 → 8688T9

161 632 ₽

Уточняйте

1 . GEAR HSG-BASIC-GR Mercury 8688T10

8688A10 → 7350A62 → 8688T10

Уточняйте

3 331 ₽

1 679 ₽

1 023 ₽

302 ₽

2 362 ₽

306 ₽

Уточняйте

868 ₽

Уточняйте

Уточняйте

2 421 ₽

1 355 ₽

12 577 ₽

4 657 ₽

Уточняйте

Уточняйте

749 ₽

753 ₽

16 . GEAR-PINION Mercury 78081T1

780811 → 78081 → 78081T1

39 261 ₽

17 . Гайка 35921

47411 → 35921

909 ₽

Уточняйте

5 810 ₽

20 . ПРОКЛАДКА Mercury 856704

856101 → 85610 → 33146 → 856704

195 ₽

21 . Кольцо 33145

32424 → 33145

322 ₽

7 659 ₽

2 900 ₽

205 ₽

2 500 ₽

451 ₽

661 ₽

403 ₽

28 . Корпус помпы 96148T1

96148A1 → 64141A1 → 48743A1 → 96148T1

8 647 ₽

1 199 ₽

508 ₽

5 272 ₽

32 . КЛЮЧ Mercury 8M0032834

56654 → 8M0032834

323 ₽

201 ₽

113 ₽

879 ₽

144 ₽

436 ₽

Уточняйте

968 ₽

Уточняйте

15 284 ₽

41 . Кольцо 29641

20233 → 29641

198 ₽

49 ₽

235 ₽

3 970 ₽

2 100 ₽

140 ₽

47 . 79953q04 Болт сливной с Прокладкой без магнита

79953Q2 → 79953A2 → 79953 → 28634 → 20259 → 79953Q04

900 ₽

48 . 8M0058389 Болт с магнитом сливной (QUICKSILVER)

67892A06 → 67892A05 → 67892A1 → 67892 → 14834A1 → 14834 → 8M0058389

1 700 ₽

250 ₽

Полезные статьи

Все статьи →
Связаться с нами