КАРТЕР РЕДУКТОРА (ВАЛ ГРЕБНОГО ВИНТА) — [209608 & Up] - Canada - Cat.# 90-43116 — купить в Victory Marine
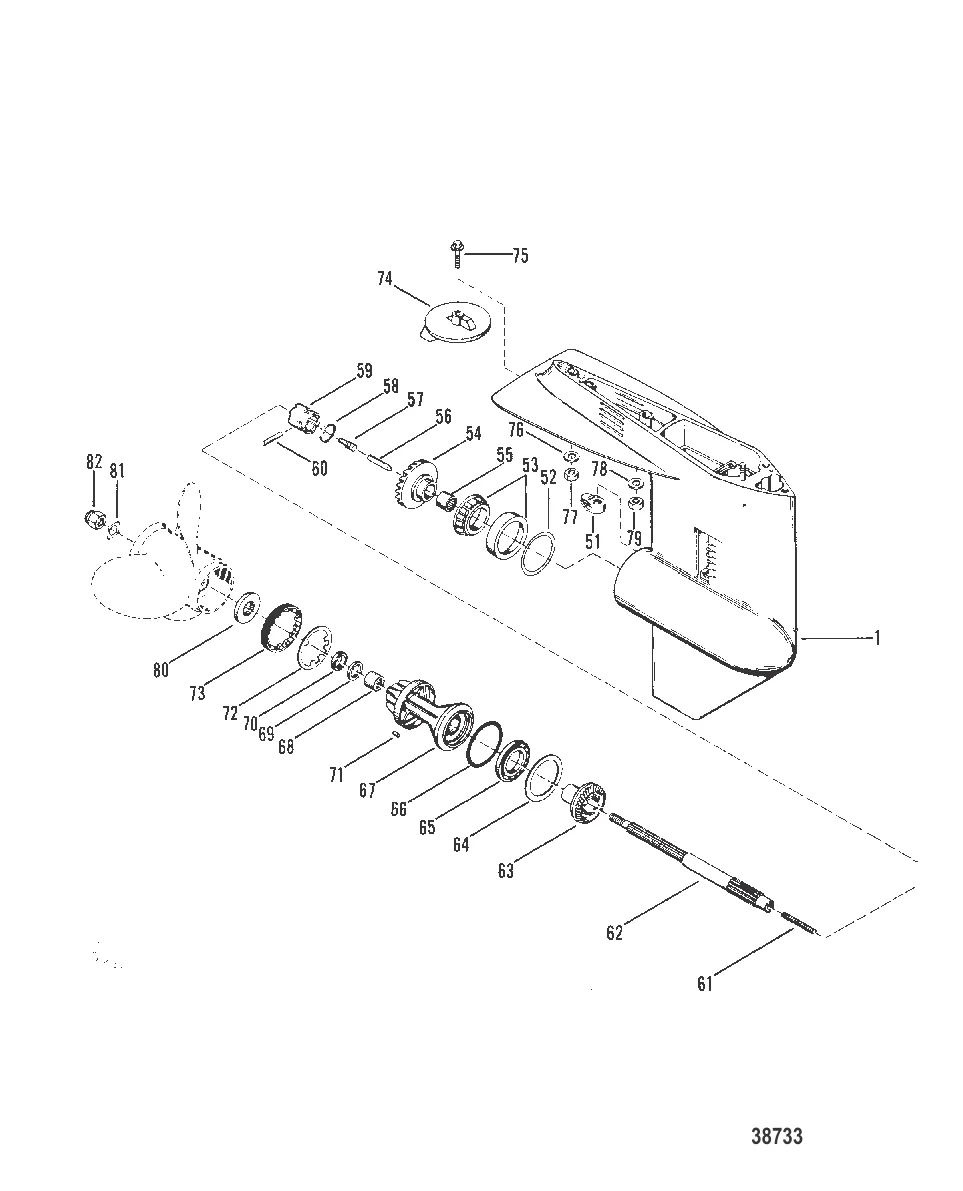
КАРТЕР РЕДУКТОРА (ВАЛ ГРЕБНОГО ВИНТА)
1
52
53
54
55
56
57
58
59
60
61
62
63
64
66
67
70
71
72
73
75
78

КАРТЕР РЕДУКТОРА (ВАЛ ГРЕБНОГО ВИНТА)

1 . GEAR корпус Mercury 9539T1

9539A1 → 7406A16 → 6459A3 → 9539T1

148 030 ₽

51 . Переключатель реверса 760394

76039 → 36288 → 30147 → 20860 → 760394

6 002 ₽

Уточняйте

15 985 ₽

54 . GEAR ASSY-FORWARD Mercury 55608T4

55608A4 → 55608 → 55608T4

39 134 ₽

2 544 ₽

9 126 ₽

3 958 ₽

475 ₽

59 . муфта сцепления Mercury 92911T

92911 → 47586 → 38128 → 92911T

25 133 ₽

463 ₽

Уточняйте

41 777 ₽

63 . GEAR-REVERSE Mercury 79158T

79158 → 79158A1 → 66554 → 55609 → 79158T

54 541 ₽

Уточняйте

8 000 ₽

497 ₽

67 . CARRIER ASSY-BRG Mercury 69386T1

69386A1 → 55904A1 → 69386T1

26 690 ₽

2 300 ₽

2 000 ₽

328 ₽

2 498 ₽

73 . ГАЙКА Mercury 87763

53013 → 32014 → 87763

1 611 ₽

74 . 31640Q4 Анод MerCruiser Alpha One Quicksilver

316404 → 316403 → 31640A1 → 31640 → 31640Q4

2 400 ₽

1 088 ₽

153 ₽

77 . ГАЙКА (0.375-24), латунь Mercury 8M0042636

826709113 → 34863 → 20509 → 8M0042636

Уточняйте

Уточняйте

900 ₽

2 417 ₽

2 086 ₽

Полезные статьи

Все статьи →
Связаться с нами