Картер редуктора Гребной винт 2.31:1, USA-0T625303/BEL-0P216184 и ниже — [0T409000 THRU 1B355222] - USA — купить в Victory Marine
Картер редуктора Гребной винт 2.31:1, USA-0T625303/BEL-0P216184 и ниже
6
8
10
11
12
13
15
16
17
19
20
21
22
23
24
26
27
28
30
31
33

Картер редуктора Гребной винт 2.31:1, USA-0T625303/BEL-0P216184 и ниже

Уточняйте

3 490 ₽

1 426 ₽

7 246 ₽

271 ₽

300 ₽

18 900 ₽

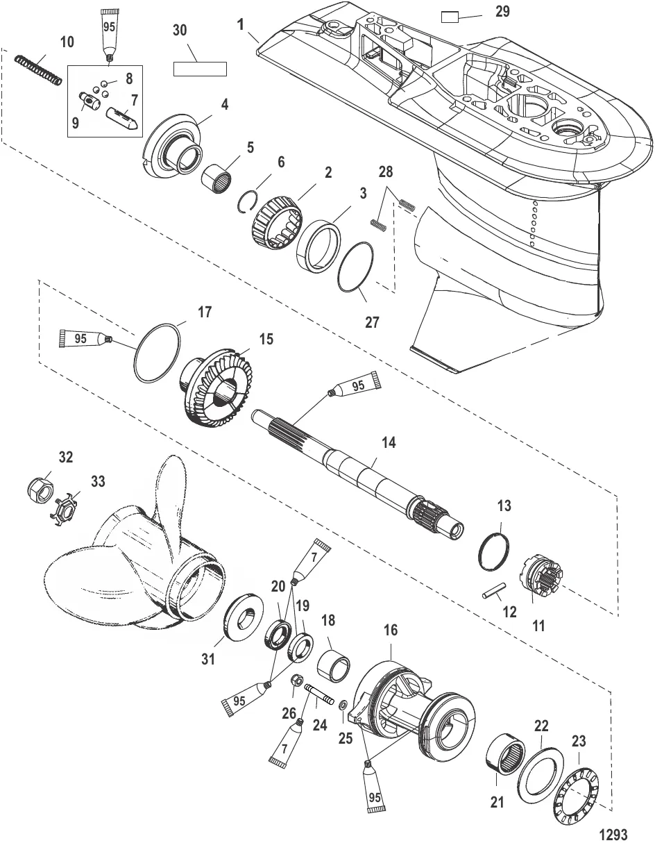
12 . PIN @3 Mercury 8M0100263

8M0084681 → 8M0100263

500 ₽

1 000 ₽

65 000 ₽

53 682 ₽

16 . CARRIER ASSY. 8M0168901

12596T2 → 8M0168901

40 038 ₽

17 . Кольцо 861844

97386 → 861844

Уточняйте

3 000 ₽

2 300 ₽

3 300 ₽

5 822 ₽

1 914 ₽

4 386 ₽

789 ₽

179 ₽

1 232 ₽

896 ₽

472 ₽

Уточняйте

31 . Упорная шайба 13191Q01

13191A1 → 66500 → 13191Q01

4 432 ₽

1 200 ₽

33 . Лепестковая шайба 816629Q

816629 → 31210 → F697140 → 816629Q

706 ₽

Полезные статьи

Все статьи →
Связаться с нами