КАРТЕР РЕДУКТОРА ГРЕБНОЙ ВАЛ – 60 SEA/MARA/BIGFOOT, 3-КУЛАЧКОВАЯ РЕВ. МУФТА СЦЕПЛЕНИЯ — [9885345 THRU 9973099] - Belgium — купить в Victory Marine
КАРТЕР РЕДУКТОРА ГРЕБНОЙ ВАЛ – 60 SEA/MARA/BIGFOOT, 3-КУЛАЧКОВАЯ РЕВ. МУФТА СЦЕПЛЕНИЯ
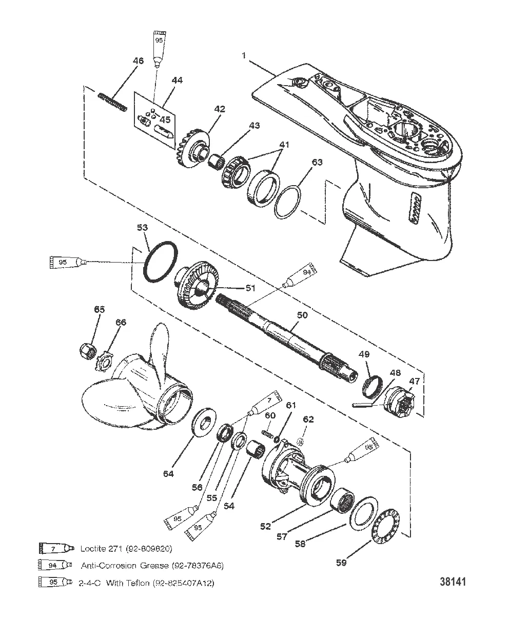
1
42
45
46
47
48
49
50
51
52
53
56
57
58
59
60
61
62
63
64
66

КАРТЕР РЕДУКТОРА ГРЕБНОЙ ВАЛ – 60 SEA/MARA/BIGFOOT, 3-КУЛАЧКОВАЯ РЕВ. МУФТА СЦЕПЛЕНИЯ

1 . ORD 1667-9011T73 Mercury 9011T74

9011A74 → 9011A8 → 9011A29 → 9011T74

152 225 ₽

1 . GEAR HSG-BASIC-BL Mercury 9011T73

9011A73 → 9011A6 → 9011T73

308 076 ₽

89 017 ₽

3 490 ₽

7 246 ₽

271 ₽

867 ₽

38 813 ₽

48 . PIN @3 Mercury 8M0100263

8M0084681 → 8M0100263

500 ₽

1 000 ₽

53 028 ₽

66 077 ₽

52 . CARRIER ASSY. 8M0168901

12596T2 → 8M0168901

40 038 ₽

53 . Кольцо 861844

97386 → 861844

Уточняйте

3 000 ₽

2 900 ₽

3 300 ₽

5 822 ₽

1 914 ₽

4 386 ₽

789 ₽

260 ₽

1 232 ₽

896 ₽

64 . Упорная шайба 13191Q01

13191A1 → 66500 → 13191Q01

4 432 ₽

1 200 ₽

66 . Лепестковая шайба 816629Q

816629 → 31210 → F697140 → 816629Q

706 ₽

Полезные статьи

Все статьи →
Связаться с нами