Картер редуктора — [357F8B & Up] - USA — купить в Victory Marine
Картер редуктора
2
3
4
6
8
10
12
13
17
18
19
20
23
24
26
29
30
31
35
36
37
38
39
40
42
43
44
45
46
47
49
50
51
54
55
56
58
59

Картер редуктора

3 154 ₽

3 397 ₽

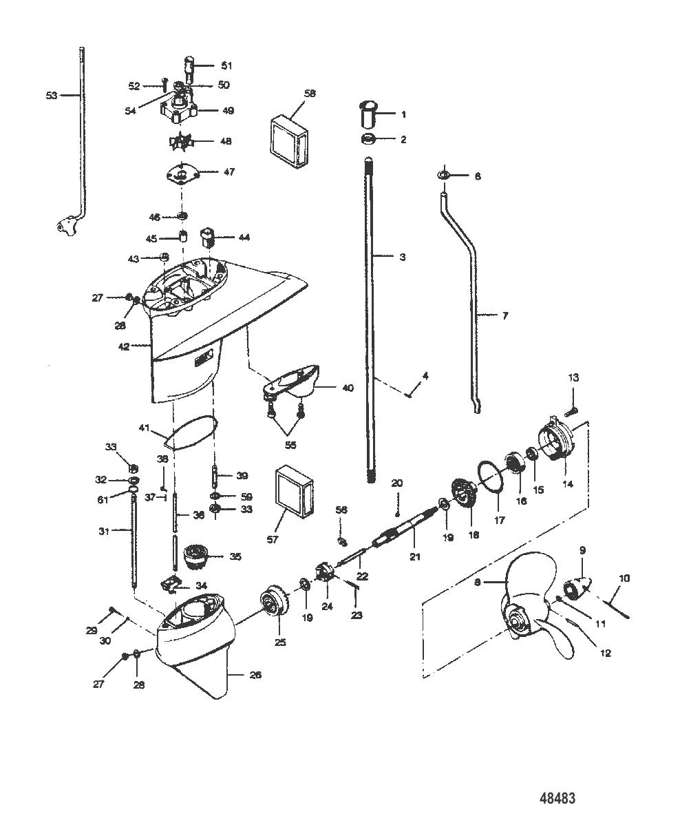
3 . DRIVEвал ASSY Mercury 819826A1

FA89128-1 → 819826A1

22 515 ₽

300 ₽

300 ₽

7 341 ₽

8 . BLKDMD 10.38X11.5 Mercury 819336A40

819335A40 → 819336A40

27 243 ₽

1 922 ₽

10 . Шплинт 89961

802028 → 89961

277 ₽

205 ₽

4 063 ₽

1 598 ₽

12 852 ₽

1 383 ₽

10 336 ₽

646 ₽

27 821 ₽

Уточняйте

56 ₽

45 419 ₽

9 591 ₽

Уточняйте

24 032 ₽

29 910 ₽

26 . GEAR корпус KIT Mercury 817826A7

817826A2 → 817826A1 → 817826A7

27 419 ₽

27 . 79953Q04 Болт сливной с Прокладкой без магнита (QUICKSILVER)

79953Q2 → 79953A2 → 79953 → 28634 → 20259 → 79953Q04

900 ₽

250 ₽

29 . ШТИФТ Mercury 826374

817468 → 826374

Уточняйте

207 ₽

Уточняйте

300 ₽

33 . ГАЙКА (.375-16) Mercury 86226

F1346 → F1347 → FI3600004 → 86226

218 ₽

21 737 ₽

16 222 ₽

Уточняйте

109 ₽

38 . ШТИФТ Mercury F85372

F85327 → F85372

591 ₽

Уточняйте

Уточняйте

779 ₽

42 . HSG KIT-D вал Mercury 817871A3

817871A2 → 817871A1 → 817871A3

57 648 ₽

997 ₽

44 . SCREEN Mercury 819228

F435077 → 819228

678 ₽

Уточняйте

905 ₽

343 ₽

3 416 ₽

49 . BODY ASSY-W/P Mercury 803824T

FA463060 → FA436060 → 803824T

43 502 ₽

2 061 ₽

1 032 ₽

346 ₽

Уточняйте

Уточняйте

Уточняйте

9 224 ₽

4 182 ₽

40 208 ₽

258 ₽

109 ₽

Полезные статьи

Все статьи →
Связаться с нами