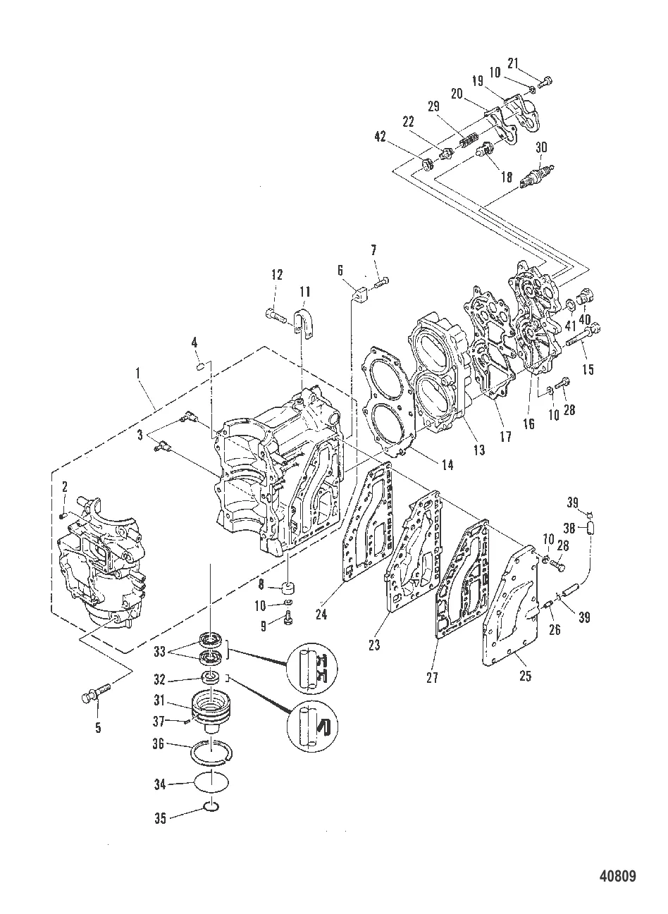
КАРТЕР И ГОЛОВКА ЦИЛИНДРА — [6F6-005206 & Up] - Belgium — купить в Victory Marine
КАРТЕР И ГОЛОВКА ЦИЛИНДРА
1
2
3
4
5
6
7
8
9
10
11
12
13
14
15
16
17
18
19
20
21
22
23
24
25
26
27
28
29
30
31
32
33
34
35
36
37
38
39
40
41

КАРТЕР И ГОЛОВКА ЦИЛИНДРА

Уточняйте

Уточняйте

Уточняйте

4 . ШТИФТ Mercury 82368M

97821M → 82368M

Уточняйте

Уточняйте

Уточняйте

Уточняйте

1 325 ₽

9 . БОЛТ Mercury 826957M

91725M → 83395M → 826957M

Уточняйте

10 . ШАЙБА Mercury 82214M

82199M → 82214M

22 ₽

Уточняйте

12 . БОЛТ Mercury 82442M

814575M → 82442M

Уточняйте

Уточняйте

3 230 ₽

Уточняйте

Уточняйте

Уточняйте

15 979 ₽

Уточняйте

Уточняйте

21 . БОЛТ Mercury 83285M

82411M → 83285M

103 ₽

Уточняйте

Уточняйте

454 ₽

Уточняйте

Уточняйте

487 ₽

28 . БОЛТ Mercury 82405M

82425M → 82405M

Уточняйте

Уточняйте

599 ₽

Уточняйте

378 ₽

1 515 ₽

454 ₽

226 ₽

Уточняйте

Уточняйте

38 . РУКАВ Mercury 82012M

11918M → 82012M

500 ₽

149 ₽

Уточняйте

Уточняйте

Полезные статьи

Все статьи →
Связаться с нами