Популярные города
Товаров не найдено, но мы можем привезти под заказ
Нет аккаунта?
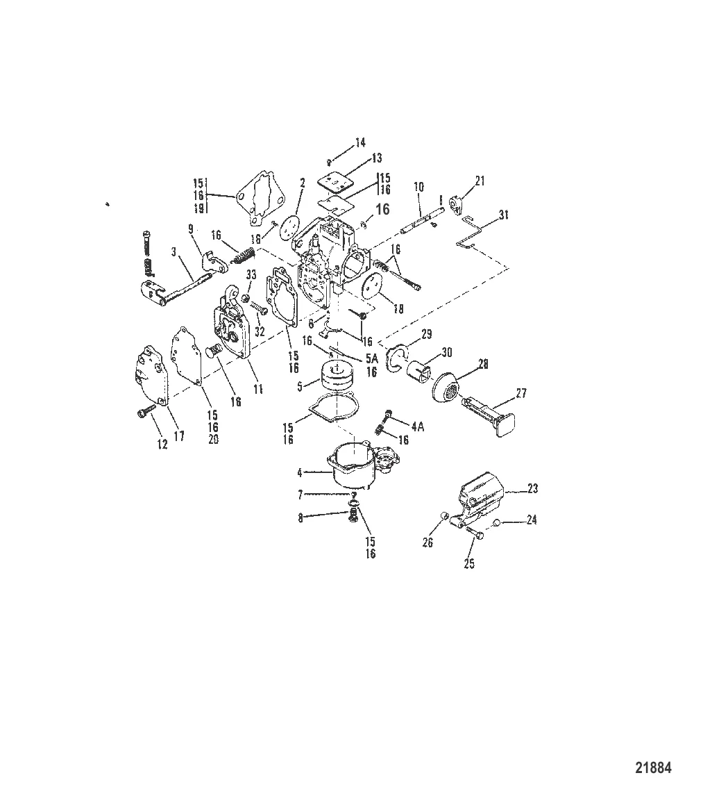
Ремкомплект карбюратора 8237072
19269 → 8237072
15 562 ₽
Жертвенные аноды — копеечная деталь, без которой мотор съест коррозия. Разбираем типы (цинк, магний, алюминий), расположение на Mercury, правила замены и частые ошибки.
Детальное сравнение лодочных моторов Mercury и Honda в пяти мощностных классах. Разбираем надёжность, расход, доступность запчастей и ликвидность на вторичном рынке.
Карелия — рай для рыбака с лодкой: тысячи озёр, чистейшая вода и трофейная рыба. Разбираем лучшие водоёмы, видовой состав, выбор мотора и всё, что нужно знать перед поездкой.
Контакты
+7 800 555-65-49
Бесплатно по России — нажмите, чтобы позвонить
Написать нам
Перезвоните мне
Оставьте номер — наш эксперт перезвонит и подберёт нужные запчасти
Нажимая кнопку, вы соглашаетесь на обработку персональных данных
Наш эксперт свяжется с вами в ближайшее время
Скидка будет применена к вашему заказу