Популярные города
Товаров не найдено, но мы можем привезти под заказ
Нет аккаунта?
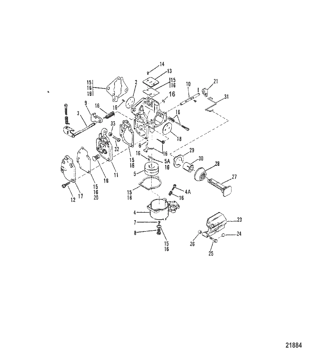
Ремкомплект карбюратора 8237072
19269 → 8237072
15 562 ₽
Полный гайд по апрельской рыбалке: преднерестовый жор щуки, активность окуня и плотвы, что разрешено во время запрета, лучшие наживки и снасти.
Разбираемся, как фазы луны влияют на клёв. Таблица лучших дней для рыбалки в 2026 году с учётом лунных фаз.
Не путаем с троллинговыми моторчиками — речь про полноценные электрические двигатели для лодок. Torqeedo, ePropulsion и другие: мощность, батареи, запас хода, стоимость владения.
Контакты
+7 800 555-65-49
Бесплатно по России — нажмите, чтобы позвонить
Написать нам
Перезвоните мне
Оставьте номер — наш эксперт перезвонит и подберёт нужные запчасти
Нажимая кнопку, вы соглашаетесь на обработку персональных данных
Наш эксперт свяжется с вами в ближайшее время
Скидка будет применена к вашему заказу