Головка цилиндра — [0T653945 & Up] - USA — купить в Victory Marine
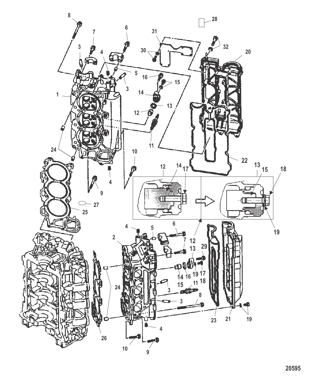
Головка цилиндра
3
4
5
6
7
8
9
10
12
13
14
15
16
17
18
19
20
21
22
23
24
25
26
27
28
29
30
31
32

Головка цилиндра

328 934 ₽

438 060 ₽

14 965 ₽

142 ₽

187 ₽

99 ₽

317 ₽

1 009 ₽

492 ₽

441 ₽

1 413 ₽

1 253 ₽

6 426 ₽

14 . АНОД Mercury 804079001

804079 → 804079001

1 011 ₽

2 729 ₽

500 ₽

128 ₽

606 ₽

19 . ПРОКЛАДКА Mercury 95610

95610M → 81986M → 95610

1 283 ₽

32 139 ₽

28 715 ₽

6 267 ₽

5 798 ₽

24 . DOWEL PIN Mercury 8M0070515

804116 → 8M0070515

188 ₽

Уточняйте

Уточняйте

1 006 ₽

Уточняйте

492 ₽

99 ₽

844 ₽

109 ₽

Полезные статьи

Все статьи →
Связаться с нами