12
13
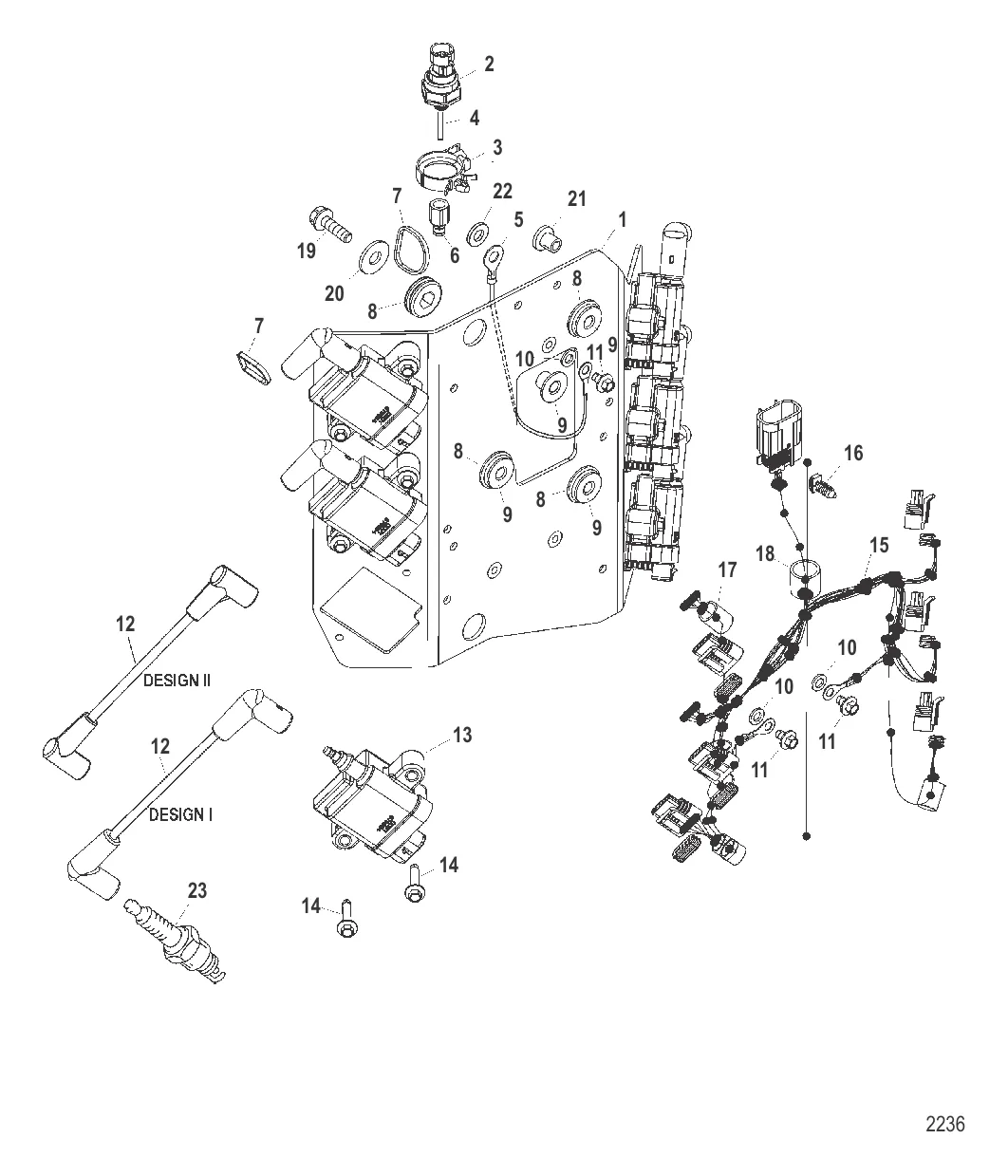
Электрические компоненты (Пластина катушки в сборе)
15 939 ₽
25 000 ₽
266 ₽
7 685 ₽
3 100 ₽
Уточняйте
45 ₽
583 ₽
113 ₽
265 ₽
12
12 . 881908T Высоковольтные провода Mercury 40-60 (optimax) ( QUICKSILVER )
821945T74 → 821945T65 → 881908T
4 500 ₽
13
13 . Катушка зажигания Mercury 40 / 50 / 60 EFI / 75 -125 DFI 8M0077471
879984T01 → 879984A1 → 8M0077471
31 593 ₽
605 ₽
44 916 ₽
662 ₽
567 ₽
113 ₽
426 ₽
260 ₽
1 723 ₽