Двигатель для тралового лова в сборе (Модель EF67P) (24 В) — [ALL & Up] — купить в Victory Marine
Двигатель для тралового лова в сборе (Модель EF67P) (24 В)
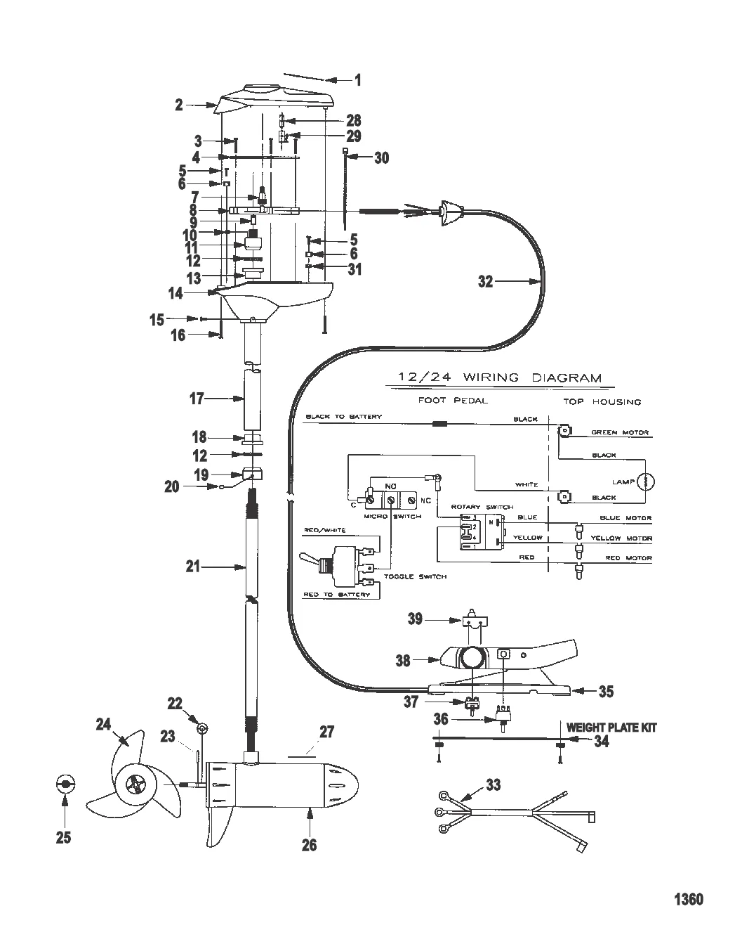
1
3
6
7
8
9
13
14
15
16
19
23
25
26
27
28
30
33
34
35
36
38

Двигатель для тралового лова в сборе (Модель EF67P) (24 В)

22 ₽

4 144 ₽

890 ₽

621 ₽

244 ₽

158 ₽

311 ₽

948 ₽

9 . втулка @5 Mercury MAF02102T

MAF02102 → MAF02102T

32 ₽

3 656 ₽

1 360 ₽

388 ₽

1 548 ₽

317 ₽

73 ₽

6 797 ₽

13 451 ₽

900 ₽

776 ₽

246 ₽

22 790 ₽

15 814 ₽

7 515 ₽

13 363 ₽

237 ₽

305 ₽

587 ₽

26 . LOWER UNIT ASSY Mercury M899520T

MVS397012 → M899520T

Уточняйте

311 ₽

28 . LAMP-24V @10 Mercury MAF09302T

MAF09302 → MAF09302T

694 ₽

Уточняйте

45 ₽

92 ₽

16 241 ₽

32 . CABLE ASSY Mercury M899442T

MPP327022 → M899442T

17 764 ₽

3 038 ₽

1 826 ₽

3 371 ₽

3 116 ₽

3 055 ₽

38 . ПЕДАЛЬ Mercury MLP10103T

MLP10103 → MLP10103T

3 330 ₽

1 216 ₽

Полезные статьи

Все статьи →
Связаться с нами