Датчики — [0T801000 THRU 1B226999] - USA — купить в Victory Marine
Датчики
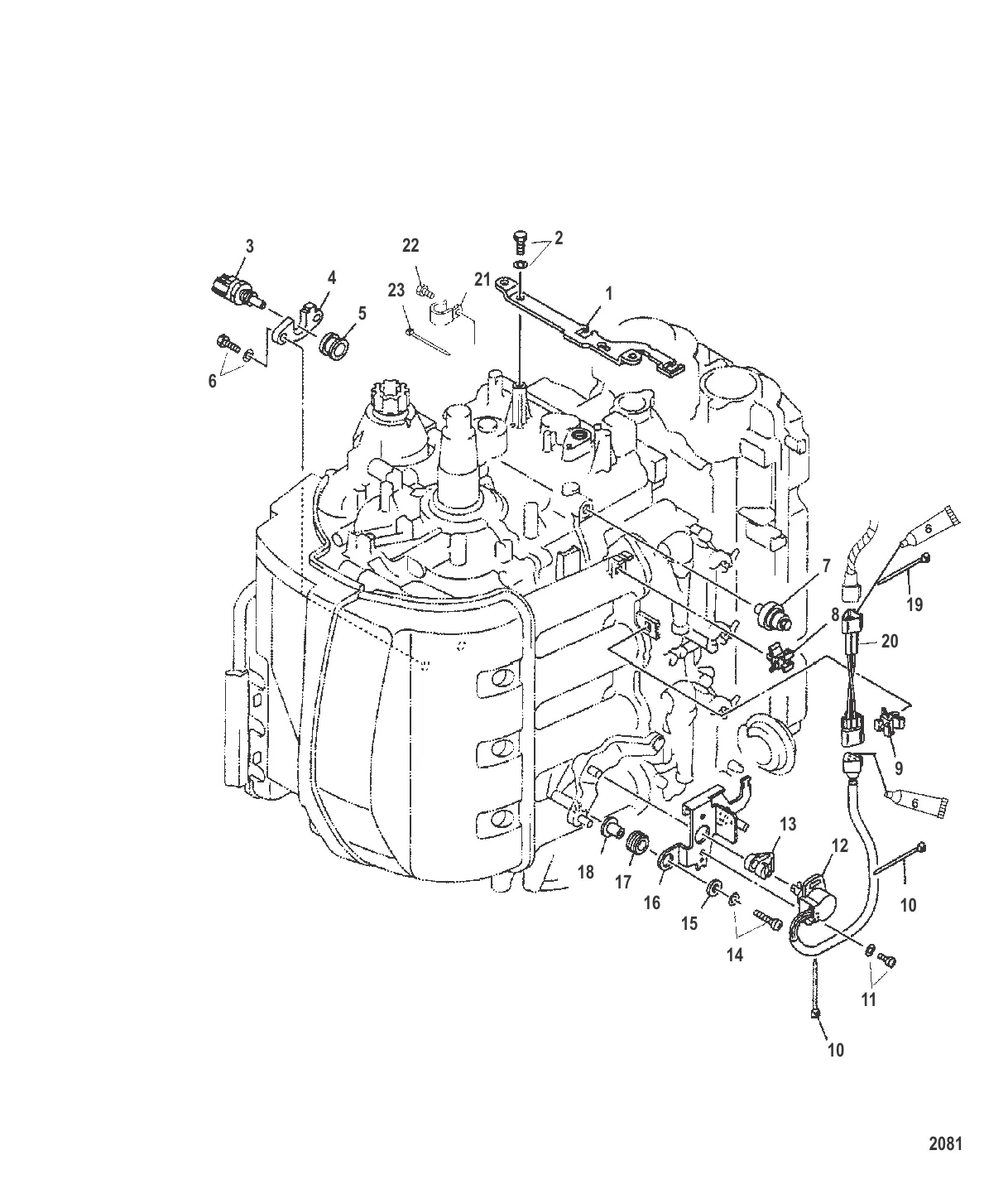
1
3
4
5
6
9
11
13
14
15
16
17
18
19
20
21
22
23

Датчики

1 229 ₽

5 352 ₽

1 008 ₽

99 ₽

6 . болт Mercury 811188T

811188M → 811188T

Уточняйте

6 460 ₽

110 ₽

Уточняйте

13 057 ₽

656 ₽

122 ₽

58 ₽

1 475 ₽

215 ₽

166 ₽

45 ₽

6 486 ₽

21 . ЗАЖИМ Mercury 83577M

95634M → 83577M

Уточняйте

315 ₽

28 ₽

Полезные статьи

Все статьи →
Связаться с нами