Cylinder Head And Rocker Cover — 1987-1989 [0A398941 THRU 0B622418] - USA - Cat.# 90-16286 — купить в Victory Marine
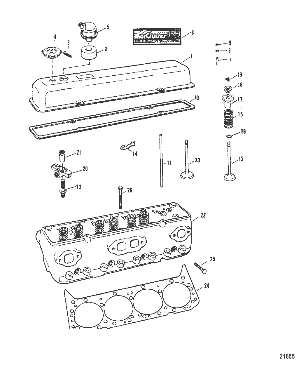
Cylinder Head And Rocker Cover
1
2
3
4
5
6
7
8
9
10
11
12
13
14
15
16
17
19
20
21
22
23
24
25
26

Cylinder Head And Rocker Cover

1 . клапан крышка Mercury 821948T1

821948A1 → 77679 → 821948T1

Уточняйте

1 . клапан крышка Mercury 821948T4

821948A4 → 821948A3 → 821948T4

48 532 ₽

353 ₽

Уточняйте

4 100 ₽

4 . ПРОБКА Mercury 17345

49288 → 42336 → 14903 → 17345

2 681 ₽

Уточняйте

5 171 ₽

6 . НАКЛЕЙКА Mercury 818991

165924 → 165922 → 41764A7 → 818991

4 169 ₽

422 ₽

514 ₽

9 . Гайка 8267089

20361 → 98451 → 8267089

140 ₽

10 . ПРОКЛАДКА Mercury 14765

FI1101294 → F3860315 → 14765

19 299 ₽

3 527 ₽

3 535 ₽

25 677 ₽

2 275 ₽

4 932 ₽

2 105 ₽

1 698 ₽

3 653 ₽

3 206 ₽

1 208 ₽

723 ₽

298 ₽

6 170 ₽

21 . ГАЙКА Mercury 8M0043537

848610 → 44481 → 8M0043537

1 868 ₽

262 163 ₽

217 313 ₽

Уточняйте

20 051 ₽

12 289 ₽

18 019 ₽

Уточняйте

Уточняйте

Полезные статьи

Все статьи →
Связаться с нами