Cylinder Block and Covers — [9807909 THRU 0P016999] - Belgium — купить в Victory Marine
Cylinder Block and Covers
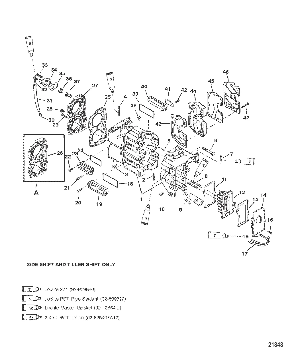
1
3
4
5
6
7
8
9
11
13
15
17
19
21
23
24
25
27
28
29
30
34
35
36
38
40
41
42
44
46
47

Cylinder Block and Covers

246 836 ₽

2 033 ₽

2 709 ₽

619 ₽

518 ₽

960 ₽

1 463 ₽

152 ₽

313 ₽

11 . ПРОКЛАДКА Mercury 414172

414171 → 41417 → 85978 → 414172

853 ₽

22 643 ₽

13 . ПРОКЛАДКА Mercury 414181

41418 → 85979 → 414181

688 ₽

11 768 ₽

4 438 ₽

259 ₽

6 600 ₽

4 567 ₽

815 ₽

1 006 ₽

875 ₽

951 ₽

7 983 ₽

1 301 ₽

415 ₽

660 ₽

8 732 ₽

298 ₽

4 388 ₽

268 ₽

36 . Прокладка 62386001

62386 → 62386B → 62386001

221 ₽

Уточняйте

457 ₽

40 . КРЫШКА Mercury 144071

14407 → 92349 → 144071

4 062 ₽

Уточняйте

321 ₽

1 375 ₽

4 644 ₽

1 577 ₽

13 664 ₽

439 ₽

Полезные статьи

Все статьи →
Связаться с нами