Блок подачи воздуха — [1E051824 THRU 1E052994] - USA — купить в Victory Marine
Блок подачи воздуха
1
2
5
6
7
8
9
11
12
13
14
15
16
17
18
21
25
28
29
31
32
33
34
36
37
38
42
43
45
47
51
52

Блок подачи воздуха

40 244 ₽

19 842 ₽

63 497 ₽

140 357 ₽

206 ₽

4 916 ₽

358 ₽

891 ₽

392 ₽

201 ₽

540 ₽

27 114 ₽

29 123 ₽

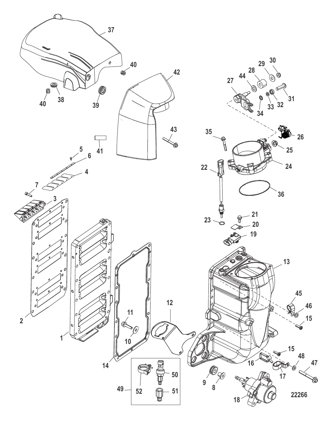
14 . ПРОКЛАДКА Mercury 804679004

8046793 → 8046791 → 804679004

16 425 ₽

432 ₽

45 ₽

977 ₽

79 440 ₽

17 465 ₽

1 705 ₽

276 ₽

5 800 ₽

1 439 ₽

141 083 ₽

407 ₽

11 831 ₽

5 210 ₽

28 . РОЛИК Mercury 8M0072162

889610 → 8M0072162

2 138 ₽

146 ₽

359 ₽

796 ₽

656 ₽

618 ₽

136 ₽

5 205 ₽

37 . КРЫШКА Mercury 8M0111168

850296T05 → 8M0111168

66 356 ₽

1 154 ₽

687 ₽

40 335 ₽

452 ₽

261 ₽

723 ₽

843 ₽

113 ₽

25 299 ₽

50 . 881879T11 Датчик давления Mercruiser (QUICKSILVER)

881879011 → 881879A6 → 859210T → 859210 → 881879T11

24 990 ₽

Уточняйте

266 ₽

Полезные статьи

Все статьи →
Связаться с нами