БЛОК ЦИЛИНДРОВ И РАСПРЕДЕЛИТЕЛЬНЫЙ ВАЛ — 1993-1995 [0F001220 THRU 0F601126] — купить в Victory Marine
БЛОК ЦИЛИНДРОВ И РАСПРЕДЕЛИТЕЛЬНЫЙ ВАЛ
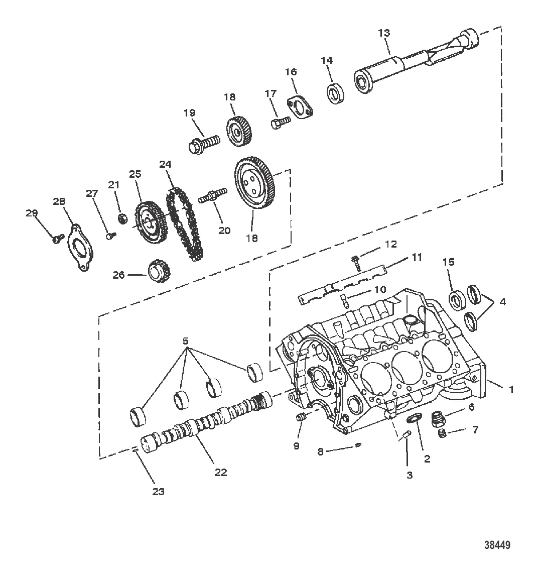
1
3
4
5
9
10
11
12
13
14
15
16
17
18
19
20
21
22
23
24
25
26
27
28
29

БЛОК ЦИЛИНДРОВ И РАСПРЕДЕЛИТЕЛЬНЫЙ ВАЛ

Уточняйте

1 072 ₽

3 . ШТИФТ Штифт (0.312) Mercury 35465

FI1100750 → F141216 → 35465

608 ₽

1 166 ₽

13 082 ₽

1 083 ₽

1 000 ₽

945 ₽

708 ₽

19 078 ₽

Уточняйте

Уточняйте

Уточняйте

Уточняйте

15 . BEARING-SLEEVE 8M0158199

824150 → 8M0158199

Уточняйте

Уточняйте

482 ₽

35 754 ₽

Уточняйте

Уточняйте

Уточняйте

125 365 ₽

23 . ШТИФТ Штифт Mercury 843378

35312 → FI1100086 → 843378

1 677 ₽

24 . ЦЕПЬ Mercury 17161T

17161 → FI1101305 → 17161T

13 301 ₽

9 413 ₽

6 052 ₽

Уточняйте

4 863 ₽

358 ₽

Полезные статьи

Все статьи →
Связаться с нами